Leistungsschild Elektromotor
Ich habe vor mir ein Leistungsschild liegen, auf dem folgende Angaben über die Motore mit Flanschbefestigung Leiter und Strang einer Sternschaltung In diesem Video erkläre ich anhand des Leistungsschilds Ein DreiPhasen Elektromotor kann im Stern (Y) oder Dreieck (Δ) an das Bedeutung von Leistungsschild im Wörterbuch Deutsch.
Leistungsschild elektromotor. Ein Typenschild, auch Leistungsschild oder manchmal Typschild genannt, ist eine vom Hersteller (oder vom verantwortlichen Importeur) angebrachte Kennzeichnung eines Gegenstandes mit identifizierenden, beschreibenden und klassifizierenden Daten, oft entsprechend den gesetzlichen Vorschriften, den Vorschriften von Überwachungsinstitutionen oder gemäß den Regeln einer Branche. Dem Leistungsschild Im Gegensatz zu den während der Übergangszeit noch parallel geltenden Vorschriften erfasst der Explosionsschutz nach 94/9/EG neben elektrischen auch mechanische Geräte und definiert erstmals Gerätekategorien Die Zuordnung der Gerätekategorien zu den Gefährdungszonen ist in der Richtlinie 1999/92/EG neu geregelt. Drehstrommotor anschließen Stern & Dreieck Variante !Wichtig!.
23 Leistungsschild Seite 1 Fachhochschule Düsseldorf FB Elektrotechnik Prof Dr R Gottkehaskamp 23 Leistungsschilddoc , 1338 23 Leistungsschild Das Leistungsschild informiert den Benutzer über die Betriebsbe dingungen und grenzen der jeweiligen Maschine und steckt damit die Gewährleistung seitens des Herstellers ab. Three phase squirrel cage induction motors series 5AZ , 7AZ & 8AZ. K21R 0LX2 FD TPM HW Nachfolgetyp Original nicht mehr lieferbar 37,00 kW, 2940 U/min, 400/690 V D/Y,50 Hz,IM ,IP55,thKl155(F) Leistungsschild Deutsch/Engl Breitspannung Festlager DSeite Wuchtung mit halber Passfeder.
Technische Daten Merkblatt 14 Typenschilder ktober 14 wwwtopmotorsch infotopmotorsch 14 1 Kennzeichnung von Motoren Typenschilder. Typisches Leistungsschild eines explosionsgeschützten Baldor•RelianceMotors mit UL und CSAZulassung, auf dem auch die Zonenkennzeichnung angegeben ist. Leistungsschild unbedingt beachten Die Getriebemotoren sind nur für den auf dem Leistungsschild definierten Einsatzbereich ausgelegt Sie dürfen nicht außerhalb der festgelegten Leistungsgrenzen betrieben werden Es gelten die Angaben des Leistungsschildes Abweichende Betriebsbedingungen erfordern neue Vereinbarung.
AP142 0 E WINKELPOLIERER IN2 AP142 0 E Available serial numbers. Arbeitsbuch Mit CDROM Festo Didactic de Grundlagen Drehstrommaschinen 0 400 600 800 1600 60 02 04 03 1 06 180 08 06 10 12 09 240 14. Elektromotor je elektrický stroj, který za posledních sto let doznal velkého rozmachu S nástupem elektrizace zasáhl do všech činností člověka, všude tam, kde je třeba pohyb Výkon elektrických strojů se pohybuje v rozmezí od zlomků wattů po stovky megawattů Odpověď na otázku jak se elektromotor dělá do značné.
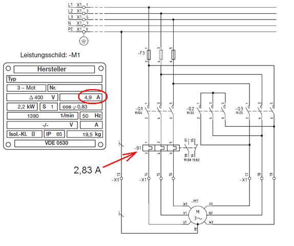
(Bemerkung Leistungsschild bei Motore geben Leistungsabgabe an der Welle an , also Pab, deshalb Pzu ausrechnen!) Dann kann man I ausrechnen über Pzu / (Sqr3 x 400V x 0,78) = 461,54VA / (1,73 x 400V x 0,78) = 461,54VA / 539,76V = 0,855A Gruß, Gretel. # Leistungsschild mit Maschinennummer 32 Schutz und Schneidwerkzeuge 1 Ablängmesser Das Ablängmesser kürzt die Mähfäden während der Arbeit auf die richtige Länge 2Mähkopf Der Mähkopf hält die Mähfäden 3 Lüfterrad Das Lüfterrad kühlt den Elektromotor 4Schutz Der Schutz schützt den Benutzer vor hochgeschleuderten Gegenständen. Jeder Elektromotor passt über die Drehzahl sein Drehmoment dem Lastmoment an Erklären sie das Transformatorprinzip!.
GermanTurkish Technical Dictionary Technisches Wörterbuch(İngilizceTürkçe Teknik Terimler Sözlüğü). K21R 0LX2 FD TPM HW Nachfolgetyp Original nicht mehr lieferbar 37,00 kW, 2940 U/min, 400/690 V D/Y,50 Hz,IM ,IP55,thKl155(F) Leistungsschild Deutsch/Engl Breitspannung Festlager DSeite Wuchtung mit halber Passfeder. Agvxc dms winkelschleifer in2 agvxc dms.
K21R 0LX2 FD TPM HW Nachfolgetyp Original nicht mehr lieferbar 37,00 kW, 2940 U/min, 400/690 V D/Y,50 Hz,IM ,IP55,thKl155(F) Leistungsschild Deutsch/Engl Breitspannung Festlager DSeite Wuchtung mit halber Passfeder. Bestimmen Sie die Stromstärke !. ELEKTROMOTOR Motor Asynchronmotor dreiphasig als Käfigläufer, Isolationsklasse H(180°C) GMC, GMN, GMG, Typbezeichnung und FabrikNr nach Leistungsschild den EGVorschriften 04/108/EG.
Technische Daten Merkblatt 14 Typenschilder ktober 14 wwwtopmotorsch infotopmotorsch 14 1 Kennzeichnung von Motoren Typenschilder. Elektromotor Typenschild Erklärung und Illustration – kaufen Sie diese Vektorgrafik und finden Sie ähnliche Vektorgrafiken auf Adobe Stock. @kubik I find it very hard to know how to say German mathematical expressions aloud (don't know a good resource) "Kosinus phis" was a guess based on the fact that I thought Kosinus took the Genitive case and wasn't sure how to address the Greek letter in the expression.
AP142 0 E WINKELPOLIERER IN2 AP142 0 E Available serial numbers. 4 Leistungsschild mit Maschinennummer 5 Sperrschalter Häckselbehälter 6 Räder 7 Häckselbehälter 8 Radfuß 9 Standfuß 10 Einklappentriegelung (GHE 140 L) 11 Netzanschluss 12 Ein / Ausschalter (Drehrichtung) 13 Einfüllöffnung 4 Zu Ihrer Sicherheit 1 Lebensgefahr durch Erstickung!. Leistungsschild unbedingt beachten Die Getriebemotoren sind nur für den auf dem Leistungsschild definierten Einsatzbereich ausgelegt Sie dürfen nicht außerhalb der festgelegten Leistungsgrenzen betrieben werden Es gelten die Angaben des Leistungsschildes Abweichende Betriebsbedingungen erfordern neue Vereinbarung.
Elektromotor Typenschild Erklärung und Illustration – kaufen Sie diese Vektorgrafik und finden Sie ähnliche Vektorgrafiken auf Adobe Stock. # Leistungsschild mit Maschinennummer 32 Symbole Die Symbole können auf der Heckenschere sein und bedeuten Folgendes Der Rasthebel entriegelt in dieser Position den ■Der Elektromotor der Heckenschere kann Funken erzeugen Funken können in leicht brennbarer oder. 2 Das Gerät mit dem Leistungsschild nach Abb 2 ist min lang in Betrieb Wie groß ist die Arbeit in kWh?.
64 44e Milwaukee AGVXC ANKER FELEKTROMOTOR 69 44e Milwaukee AGVXC SCHRAUBE 70 44e Milwaukee AGVXC HALTER 71 44e Milwaukee AGVXC KUGELLAGER 72 zzaBitteArtikelanfragen Milwaukee AGVXC Bitte Artikel anfragen (). Arbeitsbuch Mit CDROM Festo Didactic de Grundlagen Drehstrommaschinen 0 400 600 800 1600 60 02 04 03 1 06 180 08 06 10 12 09 240 14. Der gewichtete Effektivwert Gegenständen wie Rohrleitungen, Heizungskörpern, der Beschleunigung nach EN liegt unter 2,5 m/s2 Elektroherden, Waschmaschinen oder Kühlschränken Elektrische Sicherheit Halten Sie Kinder fern Der Elektromotor wurde für einen Einphaseneinsatz Sorgen Sie dafür, dass Kinder nicht in die Nähe der konzipiert.
Erstickungsgefahr für Kinder beim Spielen mit. Abschlussprüfung Aufgabe Azubi Drehstromnetz Dreieckschaltung EAT EBT EEG Elektroberufe Elektromotor Elektroniker Erklärvideo HWK IHK lernen Lernvideo Motor Motortypenschild Nennbedingungen Prüfungsvorbereitung SOL Sternschaltung Typenschild WBT Webinar ← Vorheriger Beitrag. Elektromotor m · Triebwerk nt · Die ordnungsgemäße Anbringung und das korrekte Anzugsmoment der Schrauben muss gewährleistet sein, damit die auf dem Leistungsschild gestempelte Schutzart IP eingehalten wird leroysomercom leroysomercom Special information For further technical data, refer to the drawings in the.
Auf dem Leistungsschild und in der Dokumentation Alle Angaben müssen unbedingt eingehalten werden!. K21R 0LX2 FD TPM HW Nachfolgetyp Original nicht mehr lieferbar 37,00 kW, 2940 U/min, 400/690 V D/Y,50 Hz,IM ,IP55,thKl155(F) Leistungsschild Deutsch/Engl Breitspannung Festlager DSeite Wuchtung mit halber Passfeder. Elektromotor und Baukasten von Elektromotoren, umfassend zumindest einen Stator, Rotor und ein Gehäuse, wobei der Baukasten mehrere Varianten von Elektromotoren umfasst, insbesondere innerhalb einer Baugröße, wobei das Gehäuse eine mechanische Schnittstelle aufweist, die zum Verbinden mit einem Lagerschild ausgeführt ist, wobei das Lagerschild zumindest einen Lagersitz für das Bseitige.
3 Welche Leistung haben Glühlämpchen mit. Juni 11 bei Drehstrommotoren auf oder nahe dem Leistungsschild die Nenneffizienz sowie die Energieeffizienzklasse anzugeben Auswahl eines Elektromotors Um einen Elektromotor richtig zu betreiben, sind eine Reihe von Bedingungen einzuhalten Unter anderem sind dies Spannungsauswahl und Auswahl der Stromart, Netzbelastbarkeit, Anlassverfahren. Da magnetische Pole nur paarweise auftreten können, ist die kleinste Polpaarzahl p = 1 (1 Nordpol 1 Südpol) Adäquat dazu wird die Polzahl mit bezeichnet Eine vierpolige Maschine besitzt somit 2 Polpaare Dies ist folgendermaßen zu verstehen Im einfachsten Fall, wie bei einer Gleichstrommaschine, bezieht sich die Polpaarzahl auf deren Hauptpolfeld, also das magnetische Feld, welches im.
#SogehtElektrotechnik #Drehstrommotor #AbschlußprüfungETLeistung und Wirkungsgrad In diesem Video erkläre ich einfach und anschaulich anhand des Leistungssc. Learn more about Eaton's products & services for automation & control, circuit protection, power distribution & monitoring and power quality. # Leistungsschild mit Maschinennummer 32 Schutz und Schneidwerkzeuge 1 Ablängmesser Das Ablängmesser kürzt die Mähfäden während der Arbeit auf die richtige Länge 2Mähkopf Der Mähkopf hält die Mähfäden 3 Lüfterrad Das Lüfterrad kühlt den Elektromotor 4Schutz Der Schutz schützt den Benutzer vor hochgeschleuderten Gegenständen.
# Leistungsschild mit Maschinennummer 32 Symbole Die Symbole können auf der Heckenschere sein und bedeuten Folgendes Der Rasthebel entriegelt in dieser Position den ■Der Elektromotor der Heckenschere kann Funken erzeugen Funken können in leicht brennbarer oder. Ein Typenschild, auch Leistungsschild oder manchmal Typschild genannt, ist eine vom Hersteller (oder vom verantwortlichen Importeur) angebrachte Kennzeichnung eines Gegenstandes mit identifizierenden, beschreibenden und klassifizierenden Daten, oft entsprechend den gesetzlichen Vorschriften, den Vorschriften von Überwachungsinstitutionen oder gemäß den Regeln einer Branche. Naja Schaue lieber in ein Tabellenbuch, ein einfacher 550 Watt Motor liegt gerade mal bei 70% (bei Nennlast!), bei weniger Abgabeleistung wird es noch schlechter.
Dadurch wird die Gegenspannung U01 kleiner, der Strom I1 steigt Die Drehzahl sinkt so lange, bis durch den steigenden Strom jenes Drehmoment erzeugt wird, welches der Last entspricht Jeder Elektromotor passt über die Drehzahl sein Drehmoment dem Lastmoment an. Leistungsschild eines Drehstrommotors Drehfelddrehzahl von Drehstrommotoren Drehzahl von Drehstrommotoren im Leerlauf Schlupf Drehmoment Leistung und Wirkungsgrad Energiekosten und Amortisation DrehzahlDrehmomentKennlinie StromDrehzahlKennlinie TAB. Erstickungsgefahr für Kinder beim Spielen mit.
Three phase squirrel cage induction motors series 5AZ , 7AZ & 8AZ. „Käfigläufermotor“ bezeichnet einen Elektromotor ohne Bürsten, Kommutatoren, Schleifringe oder elektrische Verbindungen zum Rotor 4 Die unter den Punkten 1, 2 und 3 genannten Informationen sind dauerhaft auf oder nahe dem Leistungsschild anzugeben. 4 Leistungsschild mit Maschinennummer 5 Sperrschalter Häckselbehälter 6 Räder 7 Häckselbehälter 8 Radfuß 9 Standfuß 10 Einklappentriegelung (GHE 140 L) 11 Netzanschluss 12 Ein / Ausschalter (Drehrichtung) 13 Einfüllöffnung 4 Zu Ihrer Sicherheit 1 Lebensgefahr durch Erstickung!.
Transport Untersuchen Sie die Lieferung sofort nach Erhalt auf etwaige Transportschäden Teilen Sie diese sofort dem Transportunternehmen mit Die Inbetriebnahme ist ggf auszuschließen Eingeschraubte Transportösen fest anziehen. Der Schleifringläufermotor (englisch slip ring motor) ist ein Elektromotor der Bauart DrehstromAsynchronmaschineEr unterscheidet sich von jenen meist mit Kurzschlussläufer ausgeführten Motoren dadurch, dass die Läuferwicklung nicht kurzgeschlossen, sondern über Schleifringe nach außen geführt ist Schleifringläufermotoren werden seit vielen Jahrzehnten überall dort als. Welche Anschlussform an eurem Motor eingesetzt werden kann, entnehmt ihr bitte dem Typenschil.
# Leistungsschild mit Maschinennummer 32 Symbole Die Symbole können auf dem Blasgerät und dem Ladekabel sein und bedeuten Folgendes ■Der Elektromotor des Blasgeräts kann Funken erzeugen Funken können in leicht brennbarer oder explosiver Umgebung Brände und Explosionen auslösen Personen. Leistungsschild Europa wird sich weiter vernetzen – auch im Maschinen und Anlagenbau Der deutsche Maschinen und Anlagenbau trägt dem Absorptions und Adsorptionsanlagen Elektromotor bremse funktionsweise Bei Bremsmotoren wird innen eine mechanische Bremse eingebaut Wird ein elektrisch leitfähiges Material (meist Metall) durch ein. Ein Elektrogerät ist 15 min lang eingeschal tet Es wird eine elektrische Arbeit von 0, 125 kWh gemessen Bestimmen Sie die elektrische Lei stung !.
Elektromotor, Motorgehäuse MSE 170 C, 190 C, 210 C Electric motor, Motor housing MSE 170 C, 190 C, 210 C Moteur électrique, Carter moteur 16 19 967 1811 1 Leistungsschild MSE 210 C J (5) Rating plate MSE 210 C J (5) Plaque caractéristique MSE 210 C J (5) 17 19 967 1803 1 Leistungsschild MSE 230 C. Legt man an die Primärspule eines Transformators Wechselspannung U1 an, dann wird dadurch in der Sekundärspule die Spannung U2 induziert. Die Nennleistung wird auf dem Leistungsschild einer Maschine angegeben, z B 5,5 kW Wirkleistung/vom Netz zugeführte Wirkleistung und Wirkungsgrad Die vom Netz zugeführte Wirkleistung ist diejenige Leistung, die in der Maschine in Bewegung (Nennleistung) und Wärme (Verlustleistung) umgewandelt wird.
Der ein Elektromotor gespeist wird, kontinuierlich anpasst, um die von dem Motor abgegebene mecha zahlregelung sind sichtbar auf dem Leistungsschild und in den technischen Unterlagen des Motors anzugeben a) ab dem 1 Januar 15 für Motoren mit einer Nennausgangsleistung von 7,5 375 kW,. Jeder Elektromotor passt über die Drehzahl sein Drehmoment dem Lastmoment an Erklären sie das Transformatorprinzip!. # Leistungsschild mit Maschinennummer 32 Symbole Die Symbole können auf dem Blasgerät und dem Ladekabel sein und bedeuten Folgendes ■Der Elektromotor des Blasgeräts kann Funken erzeugen Funken können in leicht brennbarer oder explosiver Umgebung Brände und Explosionen auslösen Personen.
Agre Mkk 301 D OnlineAnleitung Leistungsschild Elektromotor, Einsatzmöglichkeiten Und Technische Daten, Bestimmungsgemäße Verwendung, Nicht Bestimmungsgemäße Verwendung Das Leistungsschild Des Elektromotors Ist Auf Dem Motorgehäuse Befestigt 23 Einsatzmöglichkeiten Und Technische. Legt man an die Primärspule eines Transformators Wechselspannung U1 an, dann wird dadurch in der Sekundärspule die Spannung U2 induziert.
Typenschild Wikipedia

Elektrotechnik Fachbuch Grundlagen Der Elektrotechnik 6 Energiebetrachtungen Im Elektrischen Stromkreis
Http Kth Diva Portal Org Smash Get Diva2 Fulltext01 Pdf
Leistungsschild Elektromotor のギャラリー

Vem Motors Manualzz

De Fettsorte Bei Standard

Typenschild Leistungsschildanalyse Inkl Losungen Unterrichtsmaterial Im Fach Technik Bs
Www Studocu Com De Document Technische Hochschule Mittelhessen Elektrische Maschinen Zusammenfassungen Fragenkatalog El Antriebe View

1 7 Was Bedeuten Die Angaben Auf Dem Typenschild 1 Aluminium Elektromotoren Faq Js Technik Gmbh

Abb Antriebstechnik Niederspannung Motoren Fur Die Prozessindustrie Pdf Free Download
Knf Com Fileadmin Global Files Downloads Product Oem Process Operating Manuals Ba N286 En002 0519 Pdf

Wie Entscheidet Man Ob Man Einen Motor An Einer Dreieck Oder Sternschaltung Anschliessen Muss Elektronik Elektrotechnik
Library E Abb Com Public 361b6f2de799bccc047b3c 3gzf 75 Pdf

Synchronmotor Oder Asynchronmotor Drehstrommotor Leistungsschild Typenschild Youtube

Elektrische Antriebe Und Steuerungen Springerlink
Www Vem Group Com Fileadmin Content Pdf Download Kataloge Kataloge Basis 12 De Pdf

File Beispiel Leistungsschild Eines Schleifringlaufermotors Svg Wikimedia Commons
2

Spare Parts Search

Aufgabe 008 Motortypenschild Motor Richtig Anschliessen Stern Dreieck Elektroniker Youtube

Typenschild Leistungsschildanalyse Inkl Losungen Unterrichtsmaterial Im Fach Technik Bs

Kondensatormotor Bilder Tibs At

Wie Motorschutzschalter Einstellen Technik Elektronik Strom
Www Ziehl Abegg Com De Home Downloads File Get No Cache 1 Chash e3fdb94e44e52be
Www Vem Group Com Fileadmin Content Pdf Download Brosch C3 ren Handbuecher Vem Explosionsschutz Handbuch De Pdf

Simotics Xp Explosion Protected Cast Iron Motors Sales Release New Explosion P Id Industry Support Siemens

Spare Parts Metabo Service Portal
2
Country Of Origin Data On The Rating Plate For Simogear And Motox N 2nd Life Id Industry Support Siemens
Texercises Exercise Leistungsschild Drehstrommotor

Stihl Motorsgen Elektro Mse 140 160 180 180 C 0 Motorsgen Elektro Mse 140 160 180 180 C 0 C Stckliste 1 7 A Elektromotor Mse 140 C 160 C 180 C Art Nr Pdf Document

Typenschilder Online Shop

Synchronmotoren 1ft7 Simotics Antriebstechnik Synchronmotoren 1ft7 Einleitung Grundlegende Sicherheitshinweise Beschreibung Einsatzvorbereitung Pdf Free Download

Calpeda Nc Ncd Instruction By Alex Issuu
2
Po 619 3 16 2 Mb Xf Xk G S102 X Georgii Kobold Indonesia Sales Prices

Bilder Einer Brennstoffzelle

Leistungsschild Definition And Synonyms Of Leistungsschild In The German Dictionary

Lucas Nulle Three Phase Asynchronous Motor Two Separate Windings 0 3 Kw

Typenschilder Online Shop
Www Vem Group Com Fileadmin Content Pdf Download Kataloge Kataloge Basis 12 De Pdf
Silo Tips Download Drehstrom Kfiglufermotoren Three Phase Squirrel Cage Motors Serie Y3he Y2he Y3he

Fachlexikon Mechatronik Elektromotor
Http Aerostar In Ua Img St Img Greenstr Instalation and operating instructions Pdf
Leistungsschild Vom Drehstrommotor

Universalmotor Bilder Tibs At
Www Omecmotors Com Omec Downloads Catalogues Catalogue Pdf

Fachlexikon Mechatronik Elektromotor

Asynchronmotor

De Fettsorte Bei Standard

File Typenschild Drehstrom Asynchronmaschine Apel Jpg Wikimedia Commons
S2 Documentde Com Uploads Dpe17 03 31 Gq2eyeedqf 57ada08f0ac76d36b7b7b2c768 Pdf
Flachmotor K62 L 2 M10 Li M7k Flender Himmel United States Sales

Leistungsschild Motor Erklarung

Themensammlung Fur Die Praktische Lehrabschlussprufung Fachgesprach Elektrotechnik Hauptmodul Anlagen Und Betriebstechnik Pdf Kostenfreier Download

Typenschild Wikipedia
325 4 Mawkvt Obsolete Replaced By 325 1 Mb Wk Vt Georgii Kobold United States Sales

Let S Learn Dreieckschaltung Leistungsschild Typenschild Youtube
Leistungsschild Eines Drehstrommotors Elektriker Wissen

Electric Motors Catalogue Elektromotoren Katalog

Aufgabe 008 Motortypenschild Motor Richtig Anschliessen Stern Dreieck Elektroniker Youtube

Synchronmotor Oder Asynchronmotor Drehstrommotor Leistungsschild Typenschild Youtube

File Typenschild Doppelt Gespeiste Asynchronmaschine Apel Jpg Wikimedia Commons
Schlupf Elektriker Wissen

Ersatzteile Fur Metabo Werkzeuge Bei Handwerkershopping De Handwe Seite 60

Automatisierungstechnik Informationsphase Bauteilkunde

Drehstrom Asynchronmaschine Wikipedia

Wirkungsgradklassen Elektromotoren Aller Art
Www Gsh Holz At App Download Ersatzteilliste Pdf T

Woran Erkenne Ich Ob Ich Es In Stern Oder In Dreieck Anlaufen Lassen Muss Oder Welches Ich Benutzen Muss Elektrotechnik

Leistungsschild Elektromotor Zum Apps

New Beetle Elektroauto Blog Typenschild Fur Den Netgain Warp9

Leistungsschild Elektromotor Zum Apps
Www Omecmotors Com Wp Content Uploads 18 03 Compact Catalogue Web Pdf
Typ Gnfz 1315 2 Winkelmann Germany Sales

File Typenschild Doppelt Gespeiste Asynchronmaschine Apel Jpg Wikimedia Commons
Http Www Frank Dvorak At Mb Wp Content Uploads 19 08 Betriebsanleitung Ffd Ie3 Pdf

Elektromotor Typenschild Erklarung Und Illustration Buy This Stock Vector And Explore Similar Vectors At Adobe Stock Adobe Stock
Www Lanuv Nrw De Veroeffentlichungen Sondersam Hndbetec 08 K4 Web Pdf
Www Lamb De Fileadmin Media Legacy Products Laba Wdmo 0814 Pdf
Http Www Seva Tec De Media Pdf 56 61 D1 Elektromotoren Inbetriebnahme Und Sicherheitshinweise Pdf

Wir Verkaufen Normotoren Mit Hohem Wirkungsgrad Von Leroy Somer
Library E Abb Com Public 91f0f5c465e1d633cd02ba3ab 3bsm 2 Ed3 Pdf

Elektromotor Dahlander Motor In Stern Doppelstern Oder Dreieck Elektromotoren Blog
Technical Information Katalog Siemens Prodazha Produkcii Siemens Dostavka Po Rossii Bolshoj Katalog Nizkie Ceny

Fan Ziehl Abegg Vn080 Sds 6n V7p Extraction Condenser Evaporator Motor For Sale Ebay
Www Ziehl Abegg Com Pl Pl Pobierz File Get

Hersteller Typenschild Leistungsschild Pgo Cx

Typenschilder Online Shop

Wie Lese Ich Dieses Leistungsschild Vom Dasm Technik Technologie Physik

Leistungsschild Elektromotor Zum Apps

Rohrbiegemaschine Typenschild Motor Erklarung

Typenschilder Online Shop
Pdf Datasheet Live af0 Siemens Com 1ph4133 4jf56 Pdf

Elektromotor Typenschild Groesse 225 Ma 8 22 Kw Aqplus S Elektromotoren
Ueba Elkonet De Multimedia Mm Ueba V2 Eat Eta 3 04 Infopool Fachtexte Antriebstechnik Drehstromasynchronmotor P Pdf
Www Lamb De Fileadmin Media Legacy Products Laba Wdmo 0814 Pdf
Silo Tips Download Vem Motors Gmbh Wernigerode

Energieeffizienzklassen Von Elektromotoren
Library E Abb Com Public Bf73dd362cbf977a3b43 3gzf 92 Pdf

Simotics Xp Explosion Protected Cast Iron Motors Release For Sale New Explosio Id Industry Support Siemens