Pt100 Auswertegerat
Shop Our Wide Range Of High Quality Sensors &.
Pt100 auswertegerat. ber den optional erhältlichen Temperaturkopftransmitter TMT181 lässt sich das Pt100Signal in ein 4 mASignal wandeln und in jede s gängige Auswertegerät einspeisen Die Auswerteeinheiten RM21, RI5 und RI52 bieten auch einen direkten Eingang für das Pt100Signal. Shop Our Wide Range Of High Quality Sensors &. Innovative PT100 Sensors With Free Technical Support Trained Engineers Here to Help You Find High Quality Products Shop Today!.
What code is in the image?. Pt100 Introduction to Resistance Temperature Detectors (RTD) RTD or Resistance Temperature Detectors is a temperature sensor that contain a resistor that changes resistance value as its. 16 V –FMapproved for installation in Div 2 –Output for current, voltage and 2 relays.
TouchlessTareFunktion ein Wink genügt Nie wieder mit verschmutzten Handschuhen die Waage bedienen. ber den optional erhältlichen Temperaturkopftransmitter TMT181 lässt sich das Pt100Signal in ein 4 mASignal wandeln und in jede s gängige Auswertegerät einspeisen Die Auswerteeinheiten RM21, RI5 und RI52 bieten auch einen direkten Eingang für das Pt100. SizesIndustrial Automation50 Years of Expertise.
Ready to Ship Shop Online For Your Solution!. Innovative PT100 Sensors With Free Technical Support Our Products Are In Stock &. Innovative PT100 Sensors With Free Technical Support Trained Engineers Here to Help You Find High Quality Products Shop Today!.
Die Temperaturmessverstärker der UniversalMesswandler Serie UM1 dienen zur Auswertung und Umsetzung von PT100 bzw PT1000 Signalen Die Module verfügen über eine echte 4Leiter Messung Es können aber auch Sensoren in 2 und 3Leitertechnik angeschlossen werden. Aug 28, 15Endress Hauser CPM 121R21 A00 MYCOM (pH) CPM121R21A00 FTU231EAA11 Ultraschallsensor FTU231EAA11 PMD 235EB4E1EG3C Del. The order specification, the gear unit may be fitted with a Pt100 resistance thermometer for monitoring the bearing temperature flendermotoxcom Auftragsabhängig kann das Getriebe mit einem Widerstandsthermometer Pt 100 z ur Lagertemperaturüberwachung ausgestattet w erden.
Pt100 in 2LeiterSchaltung Bei einem Pt100 in ZweileiterSchaltung schlägt dieses Problem besonders deutlich zu Buche Hier müssen Sie als Richtwert mit ca 0,4 Kelvin Messfehler pro Meter Leitungslänge rechnen Nehmen wir einmal eine Temperatur von 150 °C an der Messstelle an Wir verwenden einen Pt100. PT100 sensors The principle of operation is to measure the resistance of a platinum element The most common type (PT100) has a resistance of 100 ohms at 0 °C and 1384 ohms at 100 °C There. 1kanalige Trennbarriere, 24 V DCVersorgung (schleifengespeist), 2 oder 3Draht Pt100RTDEingang, Ausgang 4 mA mA, Temperaturlinearisierung auswählbar, Einstellung der Bereiche über DIPSchalter, Sensorbruchüberwachung pa.
SizesIndustrial AutomationFind the Right SolutionFree Live Support. Innovative PT100 Sensors With Free Technical Support Trained Engineers Here to Help You Find High Quality Products Shop Today!. TST10BH3FCS3BA1 CPM LIQUISYS (pH) CPM CPK710A PHSpezialKabel CPK710A CLM 221CD810 LIQUISYS (Lf) CLM221CD810 CLS19A1 A 1 A LeitfMeßzelle CLS19A1A1A CLS19B1 A 1 A LeitfMeßzelle CLS19B1A1A CPS 412 AB 2 TSS Elektrode CPS412AB2TSS.
Die Temperaturmessverstärker der UniversalMesswandler Serie UM1 dienen zur Auswertung und Umsetzung von PT100 bzw PT1000 Signalen Die Module verfügen über eine echte 4Leiter Messung Es können aber auch Sensoren in 2 und 3Leitertechnik angeschlossen werden. Ausführung mit PT 100 Es sind mindestens ein Widerstandsthermometer (PT 100) in jede zu überwachende Unterspannungswicklung eingebaut Die Funktionen Warnung, Auslösung oder Lüfteransteuerung ist am Auswertegerät einzustellen Die entsprechenden Einstellwerte sind dem am Transformator angebrachten Hinweisschild zu entnehmen Die PT 100 sind. Sinamics G1P Cabinet Pt100Auswertegerät (Option L86) Siemens Sinamics G1P Cabinet SINAMICS S150 Pt100Auswertegerät (Option L86).
(bei entsprechendem Auswertegerät bis 100 mS/cm) 0,05 bis ca µS/cm 0,1 bis ca 1000 µS/cm 0,1 bis ca 5000 µS/cm Temperaturkompensation ohne, Pt100, Pt1000 Pt100 Prozessanschluss Verschraubung Pg13,5 Einschraubgewinde G1/2A oder 1/214 NPT Elektrodenmaterial SpezialGraphit Edelstahl Titan. / FTTP FTTP/ Tauchtemperaturfühler Pt100, kurze Zeitkonstante, für hohe Temperatur Registrieren Registrierung als neue Firma Mit dieser Registrierung legen Sie sich als Hauptbenutzer Ihrer Firma an Sobald wir Ihre Registrierung bestätigt haben, können Sie bei entsprechender Berechtigung unter anderem Artikel zu Ihren. Sinamics G1P Cabinet Pt100Auswertegerät (Option L86) Siemens Sinamics G1P Cabinet SINAMICS S150 Pt100Auswertegerät (Option L86).
* Enter the characters shown in the image. What code is in the image?. PT100 / PT1000 (optional) Ausgang 4 Relais 4 2 Relais 4 Relais 2 Binärausgang (0/5V)(wählbar) oder aber auch die Steuerung von Alarmen und auch die Weitergabe des Mess oder Regelwertes an ein analoges Auswertegerät.
EPB1 EP EPA EPB1 EP B1 EP B1 EP B1 EP EP EP EP A EP A EP A EP B1 EP B1 EP B1 Authority EP European Patent Office Prior art keywords temperature sensor protective tube measuring resistor ceramic filler Prior art date. Sep 24, 15Endress Hauser CPY 25(Set Pufferlös pH9,2)CPY25 Zubehör Endress HauserEINMAL Zähldrucker MULCNTHG 4A OAMULCNTHG4A ThermoPap PRIMO/MULTI FTC 968 PNP55V FTC968DCPNP Protector für FTC 968/Z DU 41R11A1 UltraschallsensorDU41R11A1 FMU671R0E1A1. PT100 Datasheet, PT100 PDF, PT100 Data sheet, PT100 manual, PT100 pdf, PT100, datenblatt, Electronics PT100, alldatasheet, free, datasheet, Datasheets, data sheet.
Find The Right Fit For You!. PPF BK ) FUER AUSWERTEGERAET SC SC Zasilacz ( PHOENIX, 22,5MM PPF Damping UC SLP/SLC Osprzęt Safety PPF Enclosure UC SLP/SLC Osprzęt Safety PPF MS SLP/SL Wspornik kątowy PPF MS SLPCM Muting Set SLPCM PPF PG HOLDER SLP Wspornik szkła ochronnego SLP PPF PG SLC1050. T E M P E R A T U R E &.
6 Auswertegerät Das Auswertegerät ist in Mikroprozessortechnik ausgeführt Das Messumformersignal wird linearisiert und als Massenstrom oder Normvolumenstrom (zB in kg/h bzw m3 N/h) direkt angezeigt Der Mikroprozessor gestattet die Verwendungeines Auswertegerätes für alle Messrohrnennweiten mit StandardMessbereich und komfortabler. 3fach Temperaturrelais für Sensoren Pt 100, Pt 1000, KTY /84 und Kaltleiter (PTC) Temperaturrelais Typ TR250 überwachen bis zu 3 Sensoren gleichzeitig auf bis zu 3 Grenzwerte Dabei können auch unterschiedliche Sensortypen, zB Kaltleiter und Pt 100 angeschlossen und ausgewertet werden. Shop Our Wide Range Of High Quality Sensors &.
FCU400P als Auswertegerät und 2 hochwertigen, präzisen, gepaarten und ausgesuchten Pt100Sensoren besteht Das System bietet auch im unteren Messbereich (ΔT = 1 5 K) eine Abweichung von <. May 03, 18The PT100 is a commonly used as industrial temperature sensor It is known for its capability to measure high range temperature (0°C) with an accuracy of 01°C The constriction of the sensor is also simple and hence it can be used in. Andreas Hofmeiers Vortrag Temperaturmessung mit dem Pt100 Strahlungspyrometer (misst von 500 °C bis 3000 °C) Das Glühfadenpyrometer Bei dieser Form der Temperaturmessung macht man sich den Umstand zu Nutzte, dass Stoffe bei gewissen Temperaturen glühen, also.
Industriearmaturen, Die nachfolgenden Tabellen geben wirtschaftliche Rohrdurchmesser Gast (hans werner) (Gast Daten unbestätigt) 21 Im MatheForum OnlineMathe. Innovative PT100 Sensors With Free Technical Support Trained Engineers Here to Help You Find High Quality Products Shop Today!. 3RSCK10 SIRIUS Temperature Monitoring Relay For PT100 110/230 Vac — 在线阅读或下载PDF格式用户手册。总页数:3.
(bei entsprechendem Auswertegerät bis 100 mS/cm) 0,05 bis ca µS/cm 0,1 bis ca 1000 µS/cm 0,1 bis ca 5000 µS/cm Temperaturkompensation ohne, Pt100, Pt1000 Pt100 Prozessanschluss Verschraubung Pg13,5 Einschraubgewinde G1/2A oder 1/214 NPT Elektrodenmaterial SpezialGraphit Edelstahl Titan. 6 Auswertegerät Das Auswertegerät ist in Mikroprozessortechnik ausgeführt Das Messumformersignal wird linearisiert und als Massenstrom oder Normvolumenstrom (zB in kg/h bzw m3 N/h) direkt angezeigt Der Mikroprozessor gestattet die Verwendungeines Auswertegerätes für alle Messrohrnennweiten mit StandardMessbereich und komfortabler. PT 100 sensor PT 100 sensors have a value of 100ohms 7 Repairs at 0°C Between 0°C and 100°C this value increases by 0385 Ω per 1°C PT sensors have a value of 1077 Ω 71 General at °C The following repairs can be carried out on this machine Moisture sensor This value must approach infinity Page 46 Shutdown.
Universal transmitter 4116 –Input for RTD, TC, Ohm, potentiometer, mA and V –2wire supply >. Auswertegerät übertragen Diese teilweise sehr hochohmigen Messungen (potenziostatisches Messprinzip, Innenwiderstände bis mehrere Giga ohm) sind empfindlich gegenüber elektrischen Pt100/1000 (Dreileiterschaltung) (4) frei (5) Pt100/1000 (6) Pt100/1000 (7) Kabelschirm Leitungsende 1 (sensorseitig) Leitungsart Typ alter Typ Leitungsende. 3RSCK10 SIRIUS Temperature Monitoring Relay For PT100 110/230 Vac オンラインユーザーマニュアルを読む、またはPDFをダウンロードする。合計ページ数: 3.
Kalksandstein lässt sich deutlich leichter schneiden als ein Ziegelstein Allerdings muss auf gutes Werkzeug geachtet werden Hier die Fakten. 3fach Temperaturrelais für Sensoren Pt 100, Pt 1000, KTY /84 und Kaltleiter (PTC) Temperaturrelais Typ TR250 überwachen bis zu 3 Sensoren gleichzeitig auf bis zu 3 Grenzwerte Dabei können auch unterschiedliche Sensortypen, zB Kaltleiter und Pt 100 angeschlossen und ausgewertet werden. Beiträge 496 Bewertung (58) Direkt an das Basismodul können nur Sensoren mit einem 010V Signal angeschlossen werden Ein PT100/1000 ist meines Wissens nach nicht möglich.
Find The Right Fit For You!. Jul09 nVent Unveils Wireless Communication Heat Tracing Solution LONDON(BUSINESS WIRE) nVent Electric plc (NYSENVT) (“nVent”), a global leader in electrical connection and protection solutions, today announced the launch of the nVent RAYCHEM Elexant 90i Wireless Communications Interface. Auswertegerät mit integriertem Funkmodul zur drahtlosen Kommunikation mit der Wägeplattform ideal für Wägungen von kontaminiertem Wägegut, Wägungen in lauter Umgebung oder bei räumlicher Trennung;.
Sicherheitstemperaturbegrenzer/wächter nach DIN EN und ATEXZulassung JUMO safetyM STB/STW Ex Mit dem Einsatz des kompakten und frei konfigurierbaren JUMO safetyM STB/STW Ex können Gefahrenpotentiale im ExBereich, die zu Verletzungen von Menschen oder Schädigung der Umwelt sowie Zerstörung von Produktionsanlagen und Produktionsgütern führen, frühzeitig und. P R O C E S S I N S T R U M E N T S I N C Technical Information Data Bulletin Platinum 100 Ohms (Pt100) a Temp 0 1 2 3 4 5 6 7 8 9 290. AdQuick and Reliable Delivery for Instruments and 15 Million Other Products!.
Sicherheitstemperaturbegrenzer/wächter nach DIN EN und ATEXZulassung JUMO safetyM STB/STW Ex Mit dem Einsatz des kompakten und frei konfigurierbaren JUMO safetyM STB/STW Ex können Gefahrenpotentiale im ExBereich, die zu Verletzungen von Menschen oder Schädigung der Umwelt sowie Zerstörung von Produktionsanlagen und Produktionsgütern. Find The Right Fit For You!. Jul , 18Pt100 Widerstandsthermometer basieren auf einem Widerstand, dessen elektrischer Widerstandswert mit steigender Temperatur ansteigt Sie liefern über weite Messbereiche exakte Ergebnisse und sind zudem sehr langzeitstabil.
AdQuick and Reliable Delivery for Instruments and 15 Million Other Products!. PT100 / PT1000 (optional) Ausgang 4 Relais 4 2 Relais 4 Relais 2 Binärausgang (0/5V)(wählbar) oder aber auch die Steuerung von Alarmen und auch die Weitergabe des Mess oder Regelwertes an ein analoges Auswertegerät. Many translated example sentences containing Widerstandsthermometer Pt100 – EnglishGerman dictionary and search engine for English translations.
Innovative PT100 Sensors With Free Technical Support Trained Engineers Here to Help You Find High Quality Products Shop Today!. 100 mK Es kann bei Bedarf in der ABBeigenen DKDKalibrierstelle kalibriert und zertifiziert werden Eingänge 2 x Pt100, 4Leiter Ausgang MBUS. * Enter the characters shown in the image.
Kalksandstein lässt sich deutlich leichter schneiden als ein Ziegelstein Allerdings muss auf gutes Werkzeug geachtet werden Hier die Fakten. Der Leitungsfehler resultiert aus dem Anschluss des Pt 100Widerstandes an die Auswerteelektronik mit einer 2adrigen Anschlussleitung (ZweileiterAnschluss) Dabei geht der Widerstand der Anschlussleitung als Fehler in die Messung ein. PT100 Datasheet, PT100 PDF, PT100 Data sheet, PT100 manual, PT100 pdf, PT100, datenblatt, Electronics PT100, alldatasheet, free, datasheet, Datasheets, data sheet.
LEDTemperaturanzeige KTLED24PTVDC PepperlFuchs verwendet Cookies, um Ihnen den bestmöglichen Service zu gewährleisten Wenn Sie auf der Seite weitersurfen, stimmen Sie der.
Www Acs Controlsystem De Fileadmin User Upload Dateien Produkte 8 Messumformer Ex Tva 500 6 Broschueren Uebersicht Messumformer Pdf

Bqlzr Rtd Pt100 Temperatur Messumformer Dc24v Minus 50 100 Ac Ausgang 0 10v Amazon De Baumarkt
Pt100 Ebay Kleinanzeigen
Pt100 Auswertegerat のギャラリー

Messumformer Mu 214 Messumformer Fur Schienenmontage 35mm Tragschiene Service Fur Messtechnik Geraberg
Www Omega De Techref Pdf Omega Rtd Brochure 16 Pdf

Temperatur Feuchtigkeitssensoren Durable Heat Pt100 Platinum Resister Temperature Sensor Waterproof Temp Probe Business Industrie Remillebaby Com Br
Http Egatron Com Et Docs Endress Genel C2 Adbakis Pdf

Temperaturuberwachungsrelais Cm Tcs Relais Fur Das Uberwachen Von Temperaturen Mit Einem Pt100 Fuhler 2 Oder 3 Drahtanschluss Pdf Kostenfreier Download

Bqlzr Rtd Pt100 Temperatur Messumformer Dc24v Minus 50 100 Ac Ausgang 0 10v Amazon De Baumarkt

Temperatur Feuchtigkeitssensoren Durable Heat Pt100 Platinum Resister Temperature Sensor Waterproof Temp Probe Business Industrie Remillebaby Com Br
Koboldusa Com Media Flow Dog Manual Oscillation Gas Flow Meter Dog Pdf

Lkmshop Lkm424 Lkm Electronic Gmbh Messumformer Funksysteme Produkte Funktransmitter

Motorschutz Messumformer Typ Tmu300 Ziehl Industrie Elektronik Gmbh Co Kg
2
Temperaturuberwachungsrelais Sirius 3rs10 3rs11 3rs 3rs21 Industry Mall Siemens Ww

Pmr Handelsgmbh Widerstandsthermometer

Bqlzr Rtd Pt100 Temperatur Messumformer Dc24v Minus 50 100 Ac Ausgang 0 10v Amazon De Baumarkt
Www Omega De Techref Pdf Omega Rtd Brochure 16 Pdf

Leitfahigkeits Sensoren Lmp Imp Ingenieurgesellschaft Mbh
Http Www Acs Controlsystem De Fileadmin User Upload Dateien Produkte 8 Messumformer Ex Tva 500 6 Broschueren Uebersicht Messumformer Pdf

Widerstandsthermometer Pt100 Bzw Pt1000 Wika
2

Temperatursensor Fur Wandmontage Temperaturmesswandler Fur Wandmontage Alle Hersteller Aus Dem Bereich Der Industrie Videos
Pt100 Ebay Kleinanzeigen

Temperatursensor Fuhler Typ Pt100 Messbereich Temperatur 100 Bis 0 C Kabellange Details 3 M Fuhlerbreite 6 Mm Kaufen

Temperatursensor Fur Wandmontage Temperaturmesswandler Fur Wandmontage Alle Hersteller Aus Dem Bereich Der Industrie Videos
Http Www Acs Controlsystem De Fileadmin User Upload Dateien Produkte 8 Messumformer Tva Xx0 6 Broschueren Uebersicht Messumformer Pdf

Pt100 Kompaktthermometer Tmr31 Endress Hauser
Pt100 Ebay Kleinanzeigen
Http Www Acs Controlsystem De Fileadmin User Upload Dateien Produkte 8 Messumformer Ex Tva 500 6 Broschueren Uebersicht Messumformer Pdf

Pt100 Messwiderstand In 2 3 Oder 4 Leiter Schaltung Wika Blog

Ddm 400 Acs Control System Gmbh
2

Temperatur Feuchtigkeitssensoren Durable Heat Pt100 Platinum Resister Temperature Sensor Waterproof Temp Probe Business Industrie Remillebaby Com Br

Pt 100 Temperatursensor Fur Wicklungseinbau 2 Leiter Seipp Gmbh Webshop
2

Temperatursensoren Pt100 Temperatursensoren Pce Instruments

Pt100 Oder Pt1000 Unterschiede Und Tipps Die Temperatur Profis
Temperaturuberwachungsrelais Sirius 3rs14 3rs15 Fur Io Link Industry Mall Siemens Ww

Pt 100 Temperaturrelais Typ Tr600 Rs485 Ziehl Industrie Elektronik Gmbh Co Kg
Pt100 Elektronik Gebraucht Kaufen Ebay Kleinanzeigen

Pt 100 Temperaturrelais Typ Tr10ip Ziehl Industrie Elektronik Gmbh Co Kg
Www Wika Ro Upload Oi T12 Archived En De 6338 Pdf

Temperature Ma Converter 9113a

Temperaturmessung Band 1 Widerstandsfuhler Pt100 Temperaturfuhler Und Zubehor Mit Auswahlhilfen Pdf Kostenfreier Download

3 Fach Temperaturrelais Fur Sensoren Pt100 Pt1000 Kty 84 Und Kaltleiter Ptc Pdf Kostenfreier Download

Pt100 Schaltung 2 Leiter 3 Leiter Und 4 Leiter Erklart Youtube
Www Bachofen Ch Content Files Content Technologiepartner Brands Kataloge Turck Turck temperaturerfassung de Pdf
Pt100 Ebay Kleinanzeigen

Emko Temperatursensor Fuhler Typ Pt100 Messbereich Temperatur 50 Bis 400 C Kabellange Details 4 M Kaufen
2
Www Omega De Techref Pdf Omega Rtd Brochure 16 Pdf

Lkmshop Lkm104 Lkm Electronic Gmbh Messumformer Funksysteme Produkte Funktransmitter
Pt100 Elektronik Gebraucht Kaufen Ebay Kleinanzeigen

Din Schienen Temperaturmessumformer T91 30 Wika Alexander Wiegand Se Co Kg Pt100 Pt1000 Thermoelement

Temperaturmessung Band 1 Widerstandsfuhler Pt100 Temperaturfuhler Und Zubehor Mit Auswahlhilfen Pdf Kostenfreier Download

Temperaturmessung Band 1 Widerstandsfuhler Pt100 Temperaturfuhler Und Zubehor Mit Auswahlhilfen Pdf Kostenfreier Download
Docs Rs Online Com 360f b8014ed52 Pdf

Temperaturmessung Band 1 Widerstandsfuhler Pt100 Temperaturfuhler Und Zubehor Mit Auswahlhilfen Pdf Kostenfreier Download

Norm Bzw Hutschienen Messumformer Fur Pt1000 Und Pt100 0 10v 4 ma
Www Jumo Net Attachments Jumo Attachmentdownload Id 2905

Temperatursensoren Pt100 Temperatursensoren Pce Instruments

Lkmshop Lkm428 Lkm Electronic Gmbh Messumformer Funksysteme Produkte Funktransmitter

Temperatursensor Fur Wandmontage Temperaturmesswandler Fur Wandmontage Alle Hersteller Aus Dem Bereich Der Industrie Videos
Pt100 Ebay Kleinanzeigen

Bqlzr Rtd Pt100 Temperatur Messumformer Dc24v Minus 50 100 Ac Ausgang 0 10v Amazon De Baumarkt

Lkmshop Lkm108 Lkm Electronic Gmbh Messumformer Funksysteme Produkte Funktransmitter
W9gxbfz3rhnlum

Bqlzr Rtd Pt100 Temperatur Messumformer Dc24v Minus 50 100 Ac Ausgang 0 10v Amazon De Baumarkt
Pt100 Elektronik Gebraucht Kaufen Ebay Kleinanzeigen
Pt100 Elektronik Gebraucht Kaufen Ebay Kleinanzeigen
Www Omega De Techref Pdf Omega Rtd Brochure 16 Pdf
Pt100 Elektronik Gebraucht Kaufen Ebay Kleinanzeigen

Sensoren Turck Your Global Automation Partner
Www Tecsystem It Wp Content Uploads 15 04 T154 Ed16 R1 6 Eng Pdf

Pt100 Einfuhrung Bauart Und Vorteile
Pt100 Elektronik Gebraucht Kaufen Ebay Kleinanzeigen

Sirius 3rs10 3rs11 3rs 3rs21 Temperature Monitoring Relays Industry Mall Siemens De
Http Www Glasapparate De Katalog Neu Prozess De 5 Messtechnik Pf System Pdf
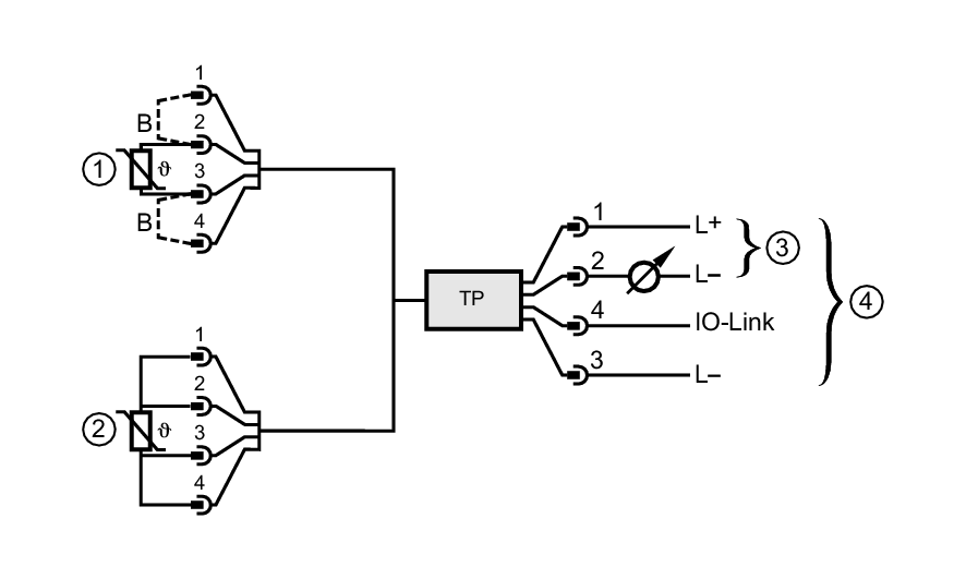
Tp3237 Auswerteelektronik Fur Pt100 Pt1000 Temperatursensoren Ifm Electronic

Leitfahigkeits Sensoren Lmp Imp Ingenieurgesellschaft Mbh

Temperatursensoren Pt100 Temperatursensoren Pce Instruments
Electronic Over Current Relays Tesys Lt3 Schneider Electric Global

Messumformer Mu 428 Sonderbauformen Service Fur Messtechnik Geraberg

Phoenix Contact Widerstandsthermometer Messumformer Mini Mcr Sl Pt100 Ui Nc
Standard Optionen Industry Mall Siemens De

Pt100 Einfuhrung Bauart Und Vorteile
2
Pt100 Ebay Kleinanzeigen
Www Bachofen Ch Content Files Content Technologiepartner Brands Kataloge Turck Turck temperaturerfassung de Pdf
Temperaturuberwachungsrelais Sirius 3rs14 3rs15 Fur Io Link Industry Mall Siemens Ww
Pt100 Ebay Kleinanzeigen

Led Temperaturanzeige Kt Led 24 Pt100 24vdc

Temperaturmessung Mit Pt100 Tmh Gmbh
Www Wika Ro Upload Oi T12 Archived En De 6338 Pdf
Pt100 Elektronik Gebraucht Kaufen Ebay Kleinanzeigen

Pt 100 Sensor Fur 6 Und 8 Gekapselte Motoren Pt 100 Sensor Fur 6 Und 8 Gekapselte Motoren Zubehor Franklin Electric Motoren Franklin Electric Unterwasser Motoren Franklin Electric Europa
Http Egatron Com Et Docs Endress Genel C2 Adbakis Pdf

Messstellenvervielfacher Typ Tmu104v Ziehl Industrie Elektronik Gmbh Co Kg

Temperatur Feuchtigkeitssensoren Durable Heat Pt100 Platinum Resister Temperature Sensor Waterproof Temp Probe Business Industrie Remillebaby Com Br