Indirekte Strommessung
GENERAL ANALYTICAL CHEMISTRY Signal analysis and data processing for inductively coupled plasmaatomic emission spectrometry with microlitre sample introduction Part 1 Introduction, signal and noise characteristics PJH Scheeren, PJH Seeverens, FJMJ Maessen and HC Smit Beim Einsatz der ICPAES als Detektionssystem f/Jr die FliissigkeitsChromatographie oder in.
Indirekte strommessung. Indirekte Strommessung Einschränkungen bei der Messung Jetzt erklären wir dir als angehenden Techniker die Strommessung in direkter und indirekter Form Beide Formen der Messung finden Anwendung in der Elektrotechnik, weshalb es für dich nicht verkehrt ist auch beide Varianten zu kennen. Translator Translate texts with the world's best machine translation technology, developed by the creators of Linguee Linguee Look up words and phrases in comprehensive, reliable bilingual dictionaries and search through billions of online translations. CVMC10ITF, indirekte Strommessung mit Stromwandlern /5A oder /1A CVMC10ITFIN, indirekte Strommessung mit Stromwandlern /5A oder /1A und einem Eingang für die Messung des Neutralleiterstroms CVMC10MC, indirekte Strommessung mit leistungsfähigen Wandlern der Reihen MC1 und MC3.
L3 – T3 Strommessung Durchführung X X X11 Ausgang SchützSteuerung X111X116 X X X12 Feldbus X121X123 X X X13 24 VDC E/A, außen am Einschub X131X1334 X X X14 24 VDC E/A, im Schub X141X1414 X X X15 24 VDC LED. Study SSS Testat 1 flashcards from Ralph Ramazotti's class online, or in Brainscape's iPhone or Android app Learn faster with spaced repetition. Indirekt, da du Spannung misst, und den Widerstand kennen musst Mit dem Ohmschen Gesetz (s Formel) kann dann der Strom berechnet werden, auch wenn er nicht direkt gemessen wurde Direkte Strommessung ist Amèremeter anschließen und direkt den Strom messen anstatt der Spannung.
Das bedeutet Wird der Strom verdoppelt, vervierfacht sich die Leistung;. Die Erfindung betrifft auch eine spezielle Vorrichtung für die indirekte Strommessung, um dieses Verfahren umsetzen zu können 0002 Die kommunikative Vernetzung sämtlicher Beteiligter auf dem Strommarkt zu einem Gesamtsystem mit übergeordnetem Netzmanagement wird als smart grid ('intelligentes Stromnetz') bezeichnet. PraxisTipp Indirekte Strommessung Ist der Stromkreis nur schwer zugänglich oder darf nicht aufgetrennt werden, so ist die Spannung an einem bekannten Widerstand im Stromkreis zu messen Danach kann mit Hilfe des Ohmschen Gesetzes der Strom berechnet werden.
P = U² / R Die Leistung P wächst proportional zum Quadrat der Spannung U;. Auf dieser Seite werden direkte Messungen (Absolutmessungen) und indirekte Messungen (Vergleichsmessungen) vorgestellt Erfahren Sie mehr über die Grundlagen von Messsystemen „Messgrundlagen“ ist eine Website, auf der Sie mehr über dimensionale Messtechnik und Messgeräte erfahren, beginnend mit den Grundlagen Diese Website wird von der KEYENCE CORP betrieben. 3 MESSTECHNIK 3 Messtechnik Ich kann den Begriff Messen erklären Ich kenne die vier Messgerätekategorien und kann diesen je eine Messstelle (zB Spannungsmessung am AnschlussÜberstromunterbrecher im HAK) zuordnen Ich kann den Unterschied zwischen einer analogen und digitalen Anzeige erklären Ich kenne die Bedeutung der Sinnbilderauf der Anzeige eines analogen Messgerätes.
• Eine Strommessung niemals als Anhaltspunkt sehen, dass ein Stromkreis berührungssicher ist Es ist eine Spannungsmessung notwendig, um zu wissen, ob ein Stromkreis gefährlich ist • Das Produkt nicht verwenden, wenn es technisch verändert wurde oder beschädigt ist • In Umgebungen gemäß CAT III oder CAT IV. Um bei der Strommessung eine maximale relative Messabweichung von nur einem Prozent eines Messwertes, der nur 0,01% des Nennstroms (Messbereichsendwert) beträgt, zu garantieren, dürfte die Messeinrichtung eine maximale auf den Messbereichsendwert bezogene Messabweichung von nur 1 ppm aufweisen ist eine indirekte Messung, bei der zuerst. Forum Analoge Elektronik und Schaltungstechnik Indirekte Strommessung Forenliste Threadliste Neuer Beitrag Suchen Anmelden Benutzerliste Bildergalerie Hilfe Login Indirekte Strommessung von Michael M (saulgoodman) 13 Bewertung 0 lesenswert nicht.
Die indirekte Strommessung über den ShuntWiderstand Berechnen Sie den empirischen Mittelwert und die empirische Der Widerstand einer Kupferleitung bei °C wird mit dieser Formel berechnet Hier wird der Widerstand für einen massiven Kupferdraht berechnet bei Schlagworte copper, Draht, Kupfer, resistor, Shunt, Widerstand. Direkte und indirekte Strommessung Bei der direkten Messung werden die Leistungsmessgeräte in Reihe zum Verbraucher angeschlossen Dieses Verfahren wird oft verwendet, wenn das Leistungsmessgerät fest mit einer Anlage verbaut wird. Indirekte Strommessung Einschränkungen bei der Messung Jetzt erklären wir dir als angehenden Techniker die Strommessung in direkter und indirekter Form Beide Formen der Messung finden Anwendung in der Elektrotechnik, weshalb es für dich nicht verkehrt ist auch beide Varianten zu kennen.
1 Sensoreinrichtung ( bis 24) zur indirekten Strommessung a) mit wenigstens einem elektrischen Leiterelement (8), das mittels Stromfluss ein magnetisches Messfeld (H m) erzeugt, b) mit mindestens einem Referenzelement (9, 9'), das von dem Leiterelement (8) beabstandet ist und ein magnetisches Referenzfeld (1%) erzeugt, welches mit dem Messfeld (H m) wechselwirkt,. Geeignet für direkte oder indirekte Messung mit dem passenden Zubehör Skala Bestellangaben Kurzbezeichnung bbn 80 EAN Preis 1 Stück A Rabattgruppe Gew 1 St kg Verpeinh ErzeugnisNr St 100 V VLM2/100 2CSMR1001 2 VO 0,0 1 300 V VLM2/300 2CSMR1001 1 VO 0,0 1 Direkt Voltmeter 10 mA AMT2/0,01. Bei Leiterbahnen auf Platinen, Bauteilfüßen oder Masseflächen stoßen konventionelle Verfahren zur Strommessung schnell an ihre Grenzen Katalogdistributor Distrelec hat jetzt einen Stromtastkopf des britischen Herstellers TTi m Lieferprogramm der dieses Problem auf intelligente Weise löst.
FÜR SPEZIELLE, INDIREKTE, NEBEN ODER FOLGESCHÄDEN ODER VERLUSTE, DIE AUF BELIEBIGER URSACHE ODER RECHTSTHEORIE BERUHEN Weil einige Für weitere Informationen über den flexiblen Zangenstromwandler siehe „Strommessung (Flexibler Zangenstromwandler)“ Automatische Abschaltung Das Messgerät schaltet sich automatisch aus, wenn die. Indirekt, da du Spannung misst, und den Widerstand kennen musst Mit dem Ohmschen Gesetz (s Formel) kann dann der Strom berechnet werden, auch wenn er nicht direkt gemessen wurde Direkte Strommessung ist Amèremeter anschließen und direkt den Strom messen anstatt der Spannung. PDF On Jan 1, 11, M Thoben published Elektrokomponenten für Aktivgetriebe Hochtemperaturtaugliche Verbindungstechnik, Stromsensorik, TreiberIC zur Getriebeintegration der.
Thomas Harriehausen · Dieter Schwarzenau Moeller Grundlagen der Elektrotechnik 24, durchgesehene und korrigierte Auage Mit 256 farbigen Abbildungen und 2 Beispielen. Das bedeutet Wird die Spannung. CVMC10ITF, indirekte Strommessung mit Stromwandlern /5A oder /1A CVMC10ITFIN, indirekte Strommessung mit Stromwandlern /5A oder /1A und einem Eingang für die Messung des Neutralleiterstroms CVMC10MC, indirekte Strommessung mit leistungsfähigen Wandlern der Reihen MC1 und MC3.
Flickr photos, groups, and tags related to the "abkant" Flickr tag. Strommessung 1 Die Sonde unter Verwendung des EIN/AUSSchalters einschalten und prüfen, ob die LED leuchtet 2 Die Ausgangsmessleitung an ein Oszilloskop, INDIREKTE, NEBEN ODER FOLGESCHÄDEN ODER VERLUSTE, DIE AUF BELIEBIGER URSACHE ODER RECHTSTHEORIE BERUHEN. Seite für HobbyElektroniker, ElektronikSchaltungen, ElektronikBücher, ElektronikBausätze, ElektronikBauteile, elektronikKurse.
In diesem Artikel gehe ich zuerst auf die Gefahren des elektrischen Stromes ein, dann auf den Schutz gegen den elektrischen Schlag und zum Schluss auf Fehlerszenarien in den jeweiligen Netztypen, die Wirkung der Schutzmaßnahmen und die Strompfade im Fehlerfall. Messtechnik Widerstandsmessung Spannungsfehlerschaltung Lichtbogenfeuerzeug mit USB http//amznto/2mh9vho Bester Taschenrechner für die Uni htt. Bild 41 Das Prinzipschaltbild der Vierleitermessung 423 Die indirekte Strommessung über den ShuntWiderstand Ein ShuntWiderstand wurde in Reihe zwischen den Verbraucher und die Spannungsquelle eingesetzt Dieser hat die Eigenschaft, dass sein Widerstand sehr klein und konstant ist und so über die Spannungsmessung der absolut.
Handbuchs entstehen, und ABB Schaltanlagentechnik GmbH haftet auch nicht für indirekte L1 – T1;. 5XPA 15XPB 35XPA Compact Digital Multimeters Users Manual • • • • Manual de uso Mode d’emploi Bedienungshandbuch Manuale d’Uso October 09, Rev1 ©09 Amprobe Test Tools. Messtechnik Widerstandsmessung Spannungsfehlerschaltung Lichtbogenfeuerzeug mit USB http//amznto/2mh9vho Bester Taschenrechner für die Uni htt.
L3 – T3 Strommessung Durchführung X X X11 Ausgang SchützSteuerung X111X116 X X X12 Feldbus X121X123 X X X13 24 VDC E/A, außen am Einschub X131X1334 X X X14 24 VDC E/A, im Schub X141X1414 X X X15 24 VDC LED. In diesem Artikel gehe ich zuerst auf die Gefahren des elektrischen Stromes ein, dann auf den Schutz gegen den elektrischen Schlag und zum Schluss auf Fehlerszenarien in den jeweiligen Netztypen, die Wirkung der Schutzmaßnahmen und die Strompfade im Fehlerfall. Um bei der Strommessung eine maximale relative Messabweichung von nur einem Prozent eines Messwertes, der nur 0,01% des Nennstroms (Messbereichsendwert) beträgt, zu garantieren, dürfte die Messeinrichtung eine maximale auf den Messbereichsendwert bezogene Messabweichung von nur 1 ppm aufweisen ist eine indirekte Messung, bei der zuerst.
Bei Leiterbahnen auf Platinen, Bauteilfüßen oder Masseflächen stoßen konventionelle Verfahren zur Strommessung schnell an ihre Grenzen Katalogdistributor Distrelec hat jetzt einen Stromtastkopf des britischen Herstellers TTi m Lieferprogramm der dieses Problem auf intelligente Weise löst. "Multifunction" KAIWEETS digital multimeter features an autorange feature of 6000 count for accurate measurements of AC/DC current (default DC dc), AC/DC voltage, true effective value, resistance, conduction, frequency, capacitance, battery check and diode, liquid temperature, wire on/off This tester can diagnose automotive, industrial, and household electrical problems. Hi, I had decided to give the KNX2 Binding a second Chance and sat up my devices all new Using the most recent 24 nightly Build and a Enertex router to my KNX bus So far, the shutters work well but the Position Object behaves strangely The very second a shutter starts moving, the Position jumps to 100% After the shutter has stopped, it then jumps to the respective (correct) value This.
Übernehmen keinerlei haftung fÜr direkte, indirekte, besondere und folgeschÄden, unabhÄngig davon, ob tektronix oder der hÄndler von der mÖglichkeit solcher schÄden im voraus unterrichtet ist w16 – 15aug04. Indirekte Strommessung Einschränkungen bei der Messung Jetzt erklären wir dir als angehenden Techniker die Strommessung in direkter und indirekter Form Beide Formen der Messung finden Anwendung in der Elektrotechnik, weshalb es für dich nicht verkehrt ist auch beide Varianten zu kennen. L3 – T3 Strommessung Durchführung X X X11 Feste 230 VAC Kabel X111X1110 X X X12 Feldbus X121X123 X X X13 24 VDC E/A, außen am Einschub X131X1334 X X X14 24 VDC E/A, im Einschub X141X1414 X X.
THE UNIVERSITY OF ILLINOIS LIBRARY 506 zu V5S u ßifc* o»R jji!iiiuiiiiiiiiiiiiiiiiiiiiii iiiiiiiiiiiiii!;iii,iiiiiii;,miiiinii;iiiiiii!i. Geeignet für direkte oder indirekte Messung mit dem passenden Zubehör Skala Bestellangaben Kurzbezeichnung bbn 80 EAN Preis 1 Stück A Rabattgruppe Gew 1 St kg Verpeinh ErzeugnisNr St 100 V VLM2/100 2CSMR1001 2 VO 0,0 1 300 V VLM2/300 2CSMR1001 1 VO 0,0 1 Direkt Voltmeter 10 mA AMT2/0,01. An icon used to represent a menu that can be toggled by interacting with this icon.
(indirekte Strommessung) Schaltet man der 1 Ohm Widertand in die Zuleitung zu der Reihenschaltung von 0 Ohm und 250 Ohm , so wird man mit dem Oscilloskop eine Gleichspannung von 0,0267 V ( = 26,7 milli Volt) messen. Hi, I had decided to give the KNX2 Binding a second Chance and sat up my devices all new Using the most recent 24 nightly Build and a Enertex router to my KNX bus So far, the shutters work well but the Position Object behaves strangely The very second a shutter starts moving, the Position jumps to 100% After the shutter has stopped, it then jumps to the respective (correct) value This. Stimmungsvolle und indirekte Beleuchtung in jeder Farbe zu realisieren Description The Comexio LED Dimmer is a 9channel PWM dimmer that is ideal for creating atmospheric and indirect lighting in any color Installation Die Installation darf nur durch eine Elektrofachkraft oder eine elektrotechnisch unterwiesene Person erfolgen.
PraxisTipp Indirekte Strommessung Ist der Stromkreis nur schwer zugänglich oder darf nicht aufgetrennt werden, so ist die Spannung an einem bekannten Widerstand im Stromkreis zu messen Danach kann mit Hilfe des Ohmschen Gesetzes der Strom berechnet werden. Issuu is a digital publishing platform that makes it simple to publish magazines, catalogs, newspapers, books, and more online Easily share your publications and get them in front of Issuu’s. P = U * I Je größer die Spannung oder der Strom ist, desto größer ist die Leistung (Notiz direkt proportional, lineare Fkt) P = R * I² Die Leistung P wächst proportional zum Quadrat des Stromes I;.
Dieser Beitrag behandelt die hochdynamische Phasenstrommessung für elektrische Traktionsantriebe mit anisotropen magnetoresistiven (AMR) Sensoren Das zugrundeliegende Messprinzip sowie die Eigenschaften des ausgewählten Stromsensors werden vorgestellt Die Ergebnisse der magnetoresistiven Stromermittlung werden mit den Referenzmessungen mittels kompensierender LEMStromwandler verglichen. Handbuchs entstehen, und ABB Schaltanlagentechnik GmbH haftet auch nicht für indirekte L1 – T1;. Methoden der Strommessung Es gibt zwei wichtige Methoden zur Strommessung Die eine wird, basierend auf Elektromagnetismus, mit einem Drehspulmesswerk (zurückgehend auf d’Arsonval) durchgeführt und die andere basiert auf der Elektrizitätstheorie, dem Ohm’schen Gesetz.
CVMC5IC, indirekte Strommessung mit Stromwandlern /5A und /1A CVMC5MCIC, indirekte Strommessung mit leistungsfähigen Wandlern der Reihen MC1 und MC3 CVMC5mVIC, indirekte Strommessung mit Stromwandlern /0 333V Das Gerät besitzt 3 Tasten zum Navigieren zwischen den verschiedenen Bildschirmen und zur Program. THE UNIVERSITY OF ILLINOIS LIBRARY 506 zu V5S u ßifc* o»R jji!iiiuiiiiiiiiiiiiiiiiiiiiii iiiiiiiiiiiiii!;iii,iiiiiii;,miiiinii;iiiiiii!i. Ermöglicht indirekte Strommessung mit Stromzangen Überbrücken (Jumper) mit 3 Stk MC berührungssicherere KurzschlussStecker 4mm (Verbindungsstecker 4mm) STÄUBLI Kurzschlussstecker KS419L/1 SW Hersteller STÄUBLI Auch bekannt als MC MultiContact / Stäubli electrical Connectors.
Zur Strommessung verwendete ich eine HallEffektStromsensor ACS 712 (5A) Der ACS712 Sensor lesen Sie den aktuellen Wert und wandeln es in einem relevanten Spannungswert ist der Wert, der die beiden Messungen verknüpft ist sensitivityYou können es auf der zu finden Datenblatt Nach Typenblatt für eine ACS 712 (5A) Modell 1. Moeller Grundlagen der Elektrotechnik Thomas Harriehausen, Dieter Schwarzenau ,Bookzz Bookzz Download books for free Find books. PCEPAADPSCHUKO LeistungsadapterAdapter Leistungsmessadapter mit Schutzkontaktstecker und Schutzkontaktbuchse Der Messadapter kann für Strommessungen bis 10 A verwendet werden direkter Anschluss an Leistungsmesser, Multimeter usw ermöglicht indirekte Strommessung mit Stromzangen.
Bei dieser erfolgt eine indirekte Strommessung Die Schaltung nutzt eine zusätzliche Konstantstromquelle, die den konstanten Strom I const liefert Der Schalter S 2 wird nicht direkt auf den. Strommessung nicht anwendbar, da das Innentarget nicht mit einem Fara dayKäfigumgeben werden konnte Es blieb daher nur die Möglichkeit, den Teilchenfluß indirekt zu ermitteln 1222 Indirekte Flußmessung Die indirekte Flußmessung erfolgt in der Weise, daß man zusammen mit der. Setvalue lamp voltage which is ideal in terms of traffic technology, business considerations and electrical engineering requirements energy2save is designed to ensure voltages within the requirements of DIN IEC and VDE 0175 so that the lights operate in compliance with the terms of the manufacturer's warranty energy2save operates reliably also at levels below 7 volts after all.
1 Indirekte und direkte Messung Ohmscher Widerstände, elektrischer Widerstand und Ohmsches Gesetz Bei Strommessung mit FLUKE 175 darf der Strom 10 A nicht übersteigen Bitte vor. Auf dieser Seite werden direkte Messungen (Absolutmessungen) und indirekte Messungen (Vergleichsmessungen) vorgestellt Erfahren Sie mehr über die Grundlagen von Messsystemen „Messgrundlagen“ ist eine Website, auf der Sie mehr über dimensionale Messtechnik und Messgeräte erfahren, beginnend mit den Grundlagen Diese Website wird von der KEYENCE CORP betrieben.

News

Stromerfassung Per Strommesswiderstand Genau Uberwachen Mit Shunts Messen Testen Elektroniknet

Messung Von Strom Und Spannung Springerlink
Indirekte Strommessung のギャラリー

Stromerfassung Per Strommesswiderstand Genau Uberwachen Mit Shunts Messen Testen Elektroniknet
Redundant Einsetzbare Signalbaugruppen Simatic Hochverfugbare Systeme S7 400h V6 Id 4784 Industry Support Siemens

Elektrotechnische Grundlagen Springerlink

Messung Elektrischer Grossen Springerlink

08 Messen Und Grossen
Publik Tuwien Ac At Files Pubdat Pdf
Strommessung Mit Stromwandlern Dewesoft
Strom Und Spannungsmessung Physikalische Methoden Einfach Erklart
Http Www Ciando Com Img Books Extract Lp Pdf
Strommessung Mikrocontroller Net
Www Franzis De Media Pdf Ef 9a D5 7 Lp Erste Schritte In Der Elektronik Pdf

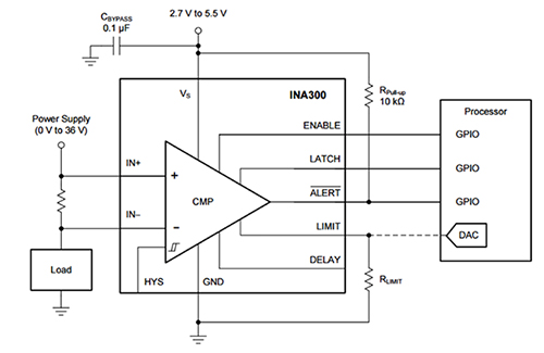
Intelligente Stromerfassungs Und Uberwachungstechnologien Digikey

Strommessung Einfach Erklart 1a Technikermathe De

Ergebnisse Versuche Oszilloskop 1 6
Strommessung Mit Stromwandlern Dewesoft
Www Tf Uni Kiel De Servicezentrum Neutral Praktika Anleitungen 08 Pdf
Http Service Projektlabor Tu Berlin De Wordpress Weckman Wp Content Uploads Sites 7 14 06 1 6 Handout Oszi Pdf

Elektrischer Strom Strommessung Pdf Kostenfreier Download
Spannungsverstarkung Mit Op Indirekte Strommessung Uber Rdson Mikrocontroller Net

Intelligente Stromerfassungs Und Uberwachungstechnologien Digikey

Dc Gleichstromzahler Impulsausgang Direkt Indirekt Aktionspreis

Zangenstrommesser Wikipedia

Leitfaden Fur Strommessungen National Instruments
Sensoreinrichtung Zur Indirekten Strommessung Patent

Analog Dreheisengerat Ppt Video Online Herunterladen

Aufgaben Zum Oszilloskop Forum Informatik
Www Tf Uni Kiel De Servicezentrum Neutral Praktika Anleitungen 08 Pdf

Methode Der Magnetfeldmessung All Electronics
Sensoreinrichtung Zur Indirekten Strommessung Patent

Msp Vl8 Messsysteme Und Sensorik Flashcards Quizlet

Elektrotechnik Fachbuch Grundlagen Der Elektrotechnik 4 Elektrische Grundgrossen

Deb4 Verfahren Zum Korrigieren Einer Durch Eine Elektrische Spannungsmessung Indirekt Durchgefuhrten Elektrischen Strommessung Google Patents
Http Www Reichl Emv De Diplom salar Pdf

Energiezahler Fur Gleichstrom Mueller Ziegler De

Strom Messen Mit Dem Multimeter

Elektrotechnische Grundlagen Im Auto Messen Des Elektrischen Stroms

Moeller

Strommessung Strom Messen

Strommessung Einfach Erklart 1a Technikermathe De

Meter 3f Pro380 Mb X 5a M Bus Hw Group 3 Phasen Energiemessgerat Fur Indirekte Strommessung Bellequip

Strommessung Mit Stromshunt
Tu Dresden De Bu Umwelt Hydro Iak Ressourcen Dateien Systemanalyse Studium Folder 09 01 29 Lehre Folder 09 04 03 At At 5 Pdf
Publik Tuwien Ac At Files Pubdat Pdf

Experimente Mit Aktiven Und Passiven Sensoren

Elektrotechnik Fachbuch Grundlagen Der Elektrotechnik 4 Elektrische Grundgrossen

Elektrik Informationen
2

Grundlagen Der Elektronischen Messtechnik Praktikum Mdt

Indirekte Strommessung Oszilloskop Elektronik Reparatur Forum

Widerstandsmessung Widerstand Messen

Wilmersdorfer Lehrmittelvertrieb
Oszilloskop Messgerat Fur Schnelle
Www Studocu Com De Document Hochschule Fuer Angewandte Wissenschaften Muenchen Elektrische Messtechnik Zusammenfassungen Formelsammlung Unigor Etc View

Strommessung Mit Dem Oszilloskop

Einfuhrung In Das Messen Von Stromen Spannungen Und

Strom Und Spannungssensor Ina3221 Raspberry Pi Geek

Elektrotechnik Fachbuch Grundlagen Der Elektrotechnik 4 Elektrische Grundgrossen

33 Messung Des Mittelwerts 34 Messung Des Scheitelwerts 34 Messung Des Gleichrichtwerts 35 Schein Wirk Und Blindleistung Pdf Kostenfreier Download

Tense Elektronik Dav 1 Einbaumessgerat Multimeter Zur Messung Von Strom Und Spannung Bei 1 Phasigen Verbrauchern Und Netzen Din Schiene Hutschiene Digital Grau Amazon De Garten

Mylime Elektrotechnik

Strommesswandler Auf Asic Basis Fur Genauere Messungen All Electronics

Strome Messen Ohne Amperemeter

Analog Dreheisengerat Ppt Video Online Herunterladen
Www All Electronics De Wp Content Uploads Migrated Article Pdf Strommessung In Der Antriebstechnik Mit Mikrocontroller Pdf

Strome Messen
Www Tu Ilmenau De Fileadmin Public Lichttechnik Lux Junior Vortraege 17 Kallenbach Luxjunior 17 Deutsch Pdf

Wilmersdorfer Lehrmittelvertrieb

Strom Messen Mit Dem Multimeter

Leistungsmesser Pce Nd30 Vom Hersteller Pce Instruments
2

Uberspannungsschutz Fur Indirekte Strommessung Mikrocontroller Net

Gleichspannung Ibkastl Gmbh Wiki

Elektrik Informationen

Elektrische Spannung Ibkastl Gmbh Wiki

Leitfaden Fur Strommessungen National Instruments

Tense Elektronik Dav 1 Einbaumessgerat Multimeter Zur Messung Von Strom Und Spannung Bei 1 Phasigen Verbrauchern Und Netzen Din Schiene Hutschiene Digital Grau Amazon De Garten

Leistungsmesser Pce Nd30pnet Vom Hersteller Pce Instruments

Multimeter Michael Floessel De Blog

Indirekte Strommessung Shunt Voltimum
Http Fwz Ph Noe Ac At Fileadmin Fwz Etech Energiesysteme Iv 007 Moderne Messtechnik Weiss Tu Leoben Grasel Dewesoft Pdf

Elektrinik Tipp Messen Mir Dem Multimeter

Digitalstrom Meter Dsm12 Steuermodul Online Kaufen Abus Sicherheitstechnik Von Firstmall Kaufen 198 14 Euro
Oszilloskop Messgerat Fur Schnelle

Leistungsmesser Pce Nd30 Vom Hersteller Pce Instruments

Stromerfassung Per Strommesswiderstand Genau Uberwachen Mit Shunts Messen Testen Elektroniknet

Strome Messen

Formelsammlung Unigor Etc Studocu

Leistungsmesser Pce Nd30pnet Vom Hersteller Pce Instruments
Ip Symcon Community Forum

Digitalstrom Meter Dsm12 Steuermodul Online Kaufen Abus Sicherheitstechnik Von Firstmall Kaufen 198 14 Euro

Definition Strommessung Item Glossar

Elektrinik Tipp Messen Mir Dem Multimeter

Strome Messen Ohne Amperemeter

Grdl Der Elektronischen Messtechnik Ws 14 15 Prakt Aufgabenblatter Docsity

Intelligente Stromerfassungs Und Uberwachungstechnologien Digikey

Strome Messen

Strommessung Mit Dem Oszilloskop