Batterie Management System
For many car buyers, the fear surrounding limited range is the main argument against buying an electric vehicle.
Batterie management system. The battery is the heart of the electric car – and an Achilles’ heel at the same time After all, what good is the most powerful lithiumion battery if it fails or is even damaged due to heat, cold or high loading?. The User Interface Battery Management Interface is the flexible and user friendly interface for the stuff of the Battery owner organization, accessing the central server Access is through webclients, from PC’s, tablets and Smartphones It provides the following functionalities. Intro long time i was harvesting lithium ion batteries from scrap laptop battery packs it's wasn't easy to test battery capacity manually so i made this device to tell me the output volt and current of the battery and calculate the battery capacity and life time Used components display used in this project 1602 LCD with shift register 74ch595 to save atmega328 pins also there is i2c port on.
A battery management system (BMS) is any electronic system that manages a rechargeable battery (cell or battery pack), such as by protecting the battery from operating outside its safe operating area, monitoring its state, calculating secondary data, reporting that data, controlling its environment, authenticating it and / or balancing it. Vehicle 13 Lincoln MKZ Have you ever had trouble with the electrical system on a newer Ford?. 1 Battery Management System Reference Design The Altera® Battery Management System (BMS) Reference Design demonstrates battery state of charge (SOC) estimation in an FPGAbased realtime control platform that you can extend to include other BMS functionality such as battery stateofhealth.
28 FITS Sci Tech , Vol 51, o 4 (October 15) T Tanizawa et al Cloudconnected Battery Management System Supporting eMobility following usage scenario for EVs in addition to provid. Ii Abstract This thesis presents a new approach to battery management system control Previous control methods did not include state of health in the decisionmaking process. Distribution A – Approved for public release Battery Management System (BMS) Design for Lithiumion Batteries, A Holistic Approach holistic, adjective, \hōˈlistik\ MerriamWebster Dictionary relating to or concerned with wholes or with complete systems rather than with the analysis of, treatment of,.
Description A Battery Management System, or BMS for short, is used to protect your battery during charging and discharging During charging, the BMS will monitor the voltage of all of your cells and balance the cell groups to ensure they are charged equally. The battery management unit records all relevant data in the battery system of electric and hybrid vehicles and monitors the health of the battery If the battery condition is critical, the unit takes appropriate action, communicating via CAN with the vehicle’s energy management system. The Manager30 is the battery management system that knows how to put you in charge The Manager30 is a stateoftheart battery management system designed to charge and maintain auxiliary batteries by incorporating AC, DC and solar inputs It is ideal for recreational vehicles, caravans and camper trailers with multipl.
Description A Battery Management System, or BMS for short, is used to protect your battery during charging and discharging During charging, the BMS will monitor the voltage of all of your cells and balance the cell groups to ensure they are charged equally. AA Portable Power Corp 5 S 19 th Street, Richmond, CA Tel Fax http//wwwbatteryspacecom Sales@batteryspacecom Page 1 of 4. BMSBattery Management System for LiIon/LiFePO4 BatteryPack, Smart BMS.
Ii Abstract This thesis presents a new approach to battery management system control Previous control methods did not include state of health in the decisionmaking process. Features Offtheshelf, flexible, field configurable Proven world's most widely installed offtheshelf Battery Management System for large Liion battery packs, with 1000s of units in 100s of applications. White Paper—Battery Management System Tutorial Page 1 of 6 White Paper Battery Management System Tutorial Today’s electronic devices have higher mobility and are greener than ever before.
The Tesla Battery Management System (BMS) is responsible for looking after the battery As well as managing charging it also works out the available amount of energy stored in the battery and in turn the number of miles that energy can drive the car for It does this by using an algorithm that adapts over time, periodically calibrating itself. Emerge BMS 2K – Batterie Management System FRIWO Gerätebau GmbH Page 13/13 Revision / History Version Date Change V16 Updated features V15 Images V14 Enabletool description V13 Mechanical data V12 Electrial data V11 Initial document Author. A Battery Management System (BMS) is an intelligent component of a battery pack responsible for advanced monitoring and management It is the brain behind the battery and plays a critical role in its levels of safety, performance, charge rates, and longevity.
Battery Management System LBC Battery Management System (BMS) will protect the battery from almost any external accidental occurrence that would normally cause damage to a lithium battery The LBC internal BMS will automatically disconnect if the battery drains below 10 volts. Many unmanned systems and autonomous vehicles (UAVs, UGVs, AUVs, USVs and robotic platforms) are powered by batteries Larger unmanned vehicles may be powered by internal combustion engines which contain batteries, providing a reliable backup power system that will enable the recovery system to operate in the event of a main engine failure, allowing the craft or vessel to navigate to a safe. White Paper—Battery Management System Tutorial Page 1 of 6 White Paper Battery Management System Tutorial Today’s electronic devices have higher mobility and are greener than ever before.
Together with our partner TÜV SÜD AG, in our labs in Garching and WeßlingOberpfaffenhofen we perform tests of batteries at all design levels, including electrical, chemical, and mechanical, corrosive and abuse tests according to international norms. This website uses cookies to enhance and improve your browsing experience For further information on how we use cookies and how to change your browser settings, please read our Cookie Policy Accept. BU908 Battery Management System (BMS) Mercedes CEO Dieter Zetsche says, "The intelligence of the battery does not lie in the cell but in the complex battery system" This is reminiscent to computers in the 1970s that had big hardware but little software.
28 FITS Sci Tech , Vol 51, o 4 (October 15) T Tanizawa et al Cloudconnected Battery Management System Supporting eMobility following usage scenario for EVs in addition to provid. The nBMS is the next generation scalable BMS for high voltage applications It is a distributed system in which the Management Control Unit (MCU) communicates with up to 32 Cell Monitoring Units (CMU). BU908 Battery Management System (BMS) Mercedes CEO Dieter Zetsche says, "The intelligence of the battery does not lie in the cell but in the complex battery system" This is reminiscent to computers in the 1970s that had big hardware but little software.
Batteriemanagementsystem (BMS) Long live the battery!. White Paper—Battery Management System Tutorial Page 1 of 6 White Paper Battery Management System Tutorial Today’s electronic devices have higher mobility and are greener than ever before. AA Portable Power Corp 5 S 19 th Street, Richmond, CA Tel Fax http//wwwbatteryspacecom Sales@batteryspacecom Page 1 of 4.
The User Interface Battery Management Interface is the flexible and user friendly interface for the stuff of the Battery owner organization, accessing the central server Access is through webclients, from PC’s, tablets and Smartphones It provides the following functionalities. Infineon’s battery management system ASSPs TLE9015QU and TLE9012AQU Identify the aspects covered by the battery management systems (BMS), their main components and their function Recognize Infineon’s main components for battery management applications and the key features and benefits of Infineon battery management devices. The nBMS is the next generation scalable BMS for high voltage applications It is a distributed system in which the Management Control Unit (MCU) communicates with up to 32 Cell Monitoring Units (CMU).
Welcome to Engineeringcom's series on the design of battery packs and battery management systems In this video, we'll take a look at Battery Management Systems and look at what a battery management system is, what it does and we'll also explore the individual components that typically make up a battery management system. AA Portable Power Corp 5 S 19 th Street, Richmond, CA Tel Fax http//wwwbatteryspacecom Sales@batteryspacecom Page 1 of 4. Renesas' automotivegrade Liion battery management solutions (BMS) are specifically designed to meet the stringent safety, reliability and performance requirements of next generation electric vehicle applicationsOur cell balancing and safety portfolio features the highlyintegrated ISL, ISL and ISL Liion battery management and safety monitoring ICs, which offer a number of.
Development of Battery Management System 70 FUJITSU TEN TECH J NO42(16) 22 Development Specifications of Universal BMS PF Fig 2 Conventional Development Process. Automotive Battery Management Systems (BMS) must be able to meet critical features such as voltage, temperature and current monitoring, battery state of charge (SoC) and cell balancing of lithiumion (Liion) batteries Indeed, the main functions of a Battery Management System for electric vehicles are. Covering the distance with Marquardt an innovative system is jumpstarting electric motors The battery is the heart of the electric car – and an Achilles’ heel at the same time After all, what good is the most powerful lithiumion battery if it fails or is even damaged due to heat.
BMS, 48V BMS, 15s BMS manufacturer / supplier in China, offering Battery Management System 15s 48V 0A BMS for LiFePO4 Battery Pack, Bluetooth Smart BMS LiFePO4 27s 84V 0A for EScooter Use by Cell Phone Changeable Data, Hight Quality Smart Lithium Lron Phosphate Battery BMS BMS 23s 72V 80A with Can for EBike and so on. The Battery Management System (BMS) is used for batteries of high voltage hybrid and electric vehicles As a core component the battery management system is integrated into the LiIon battery and manages all its functions. Now, Intelligent battery management system(iBMS)is new battery technology that we add on to unmanned aircraft battery and RC hobby Due to the fact that lithium polymer is delicate material;.
Today the electric vehicle (EV) has been developed in such a way that electronic motor, battery, and charger replace the engine, tank and gasoline pump of the conventional gasolinepowered 1. Automotive Battery Management Systems (BMS) must be able to meet critical features such as voltage, temperature and current monitoring, battery state of charge (SoC) and cell balancing of lithiumion (Liion) batteries Indeed, the main functions of a Battery Management System for electric vehicles. 1 Battery Management System Reference Design The Altera® Battery Management System (BMS) Reference Design demonstrates battery state of charge (SOC) estimation in an FPGAbased realtime control platform that you can extend to include other BMS functionality such as battery stateofhealth.
Many unmanned systems and autonomous vehicles (UAVs, UGVs, AUVs, USVs and robotic platforms) are powered by batteries Larger unmanned vehicles may be powered by internal combustion engines which contain batteries, providing a reliable backup power system that will enable the recovery system to operate in the event of a main engine failure, allowing the craft or vessel to navigate to a safe. Today the electric vehicle (EV) has been developed in such a way that electronic motor, battery, and charger replace the engine, tank and gasoline pump of the conventional gasolinepowered 1. It's possible the Battery Monitoring System needs to be reset In this Diagnostic Quick Tip, National Field Trainer Jason Gabrenas shows you how to reset the system using a scan tool.
A Battery Management System (BMS) is an intelligent component of a battery pack responsible for advanced monitoring and management It is the brain behind the battery and plays a critical role in its levels of safety, performance, charge rates, and longevity. Infineon integrated circuits and designs help you to layout your Battery Management System Careful design considerations on charging and discharging processes on battery protection and cell monitoring will support you throughout your design. CTEK's latest battery management system from Bainbridge Technologies in Brisbane.
The User Interface Battery Management Interface is the flexible and user friendly interface for the stuff of the Battery owner organization, accessing the central server Access is through webclients, from PC’s, tablets and Smartphones It provides the following functionalities. Renesas' automotivegrade Liion battery management solutions (BMS) are specifically designed to meet the stringent safety, reliability and performance requirements of next generation electric vehicle applicationsOur cell balancing and safety portfolio features the highlyintegrated ISL, ISL and ISL Liion battery management and safety monitoring ICs, which offer a number of. Battery Management Systems The Manager30 is the battery management system that knows how to put you in charge The Manager30 is a stateoftheart battery management system designed to charge and maintain auxiliary batteries by incorporating AC, DC and solar inputs.
Description A Battery Management System, or BMS for short, is used to protect your battery during charging and discharging During charging, the BMS will monitor the voltage of all of your cells and balance the cell groups to ensure they are charged equally. 1 Battery Management System Reference Design The Altera® Battery Management System (BMS) Reference Design demonstrates battery state of charge (SOC) estimation in an FPGAbased realtime control platform that you can extend to include other BMS functionality such as battery stateofhealth. The User Interface Battery Management Interface is the flexible and user friendly interface for the stuff of the Battery owner organization, accessing the central server Access is through webclients, from PC’s, tablets and Smartphones It provides the following functionalities.
Users are suggested to take good care when using the lipo batteries. Smart Battery Management System(BMS) Bluetooth Ready, 24s/24pcs of Lifepo4 or Lithiumion Battery, Protection Board, 300A, PCM, PCB, for Electric Vehicles Controller, Display Included. This package provides Lenovo Energy Management and is supported on AST, AST, VAST, VAST and running the following Operating Systems Windows 10 (64bit).

Battery Management System Tutorial Renesas

Lifepo4 Akku 24v 100ah Mit Bms Batterie Management System Jubatec Akku Shop

Battery Management System Bms Tutto Batterie Il Blog
Batterie Management System のギャラリー

Orion Li Ion Battery Management System Affordable Reliable Ev Li Ion Bms

Battery Management System Bms Batteries Bms
Q Tbn And9gctmr4ynqz6vaogrri2ildtptqstruwxmkq7qtpuoos Usqp Cau

Lifepo4 Akku 12v 50ah Mit Bms Bluetooth Mit Bluetooth Amazon De Elektronik

Battery Management System Bms Lion Smart

Battery Management System Minibms Lifepo4 Solaris Store

Battery Management System Bms For Electric Vehicles

Xenes Lifepo4 Smart Bms Batterie Management System Fur 3 2v Zellen 4s 8s 15s 16s Ebay

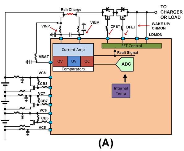
A Look Inside Battery Management Systems Electronic Design

Battery Management System Bms Lion Smart

Aeg Power Solutions Launches A Unique Wireless Battery Management System Monistore For Large Energy Storage Installations

Battery Management System Bms For Electric Vehicles

Batterie Management System Ev Europe

Victron Batterie Management System Ve Bus Bms 122 87

Thermal Management For Hv Batteries What Really Matters Scheugenpflug Gmbh Youtube

Battery Management System Bms Infineon Technologies

7s Bms Pcb Pcm a 24v Li Ion Batterie Konnen Kommunikation Bms Fur Batterie Management System Buy Power Management System Losung 24v Li Ion Bms Smart Bms Product On Alibaba Com

Battery Management System Tutorial Renesas

Effekta Bacs1kva 10min Accessory Batterie Management System Bacs Mhd3000 10 1 Industry Electronics
Q Tbn And9gcrrhjjlvdupffdxpquttxa0guvnd3truy7jwqmer 1bhmed7s3r Usqp Cau

Battery Management System Wikipedia

Victron Bms 12 0 Batterie Management System Fur 12v Lifepo4 Offgridtec

How Battery Thermal Management Systems Impact Ev Battery Performance Automotive Iq

Electronic Battery Sensor

Battery Management System Bms 12 0 Victron Energy

Bms Battery Management System Ficosa
Simple Undervoltage And Overcurrent Protection For Lithium Ion And Lithium Polymer Batteries Motley Electronic Topics Eewiki

Victron Bms Batterie Management System 12 0 Lithium Ionen 249 67

Battery Management System Bms Lion Smart

Victron Ve Bus Bms Batterie Management System 123 81

Battery Management Systems Bms Battery Emulation And Measurement With Simulink

5s Lto Bms 12v a 40a 60a Lithium Batterie Management System Board Lto Bms Pcm Pcb Fur Solar Energie Speicher

Battery Management Systems Embedded Systems
Q Tbn And9gcrhd2soq96v Bpqnspj2j Ygnxvwe8jbokrpfcmjgjzpdwjlegz Usqp Cau
Www Researchgate Net Profile Mohamed Mourad Lafifi Post State Of Charge Estimation Of Lithium Ion Battery Matlab Simulink Attachment 5abcde266d5336e0 As 3a Download Battery Management System Bms For Lithium Ion Batterie Pdf

Verifying Validating And Testing Battery Management Systems Part 9 Hardware In The Loop Simulation For Battery Management Systems Video Matlab Simulink

Rec D O O

Lithium Ion Battery Management System Bms Tyva Tyva Moduloo

Battery Management Systems Friwo Onlineshop

Battery Management System Bms Recall That Battery Pack 电池组 电池包 Is By Khor Aik Cheow Phd Medium

Batterie Management System Ve Bus Bms Fur Victron Lifepo4 Batterien
Www Researchgate Net Profile Mohamed Mourad Lafifi Post State Of Charge Estimation Of Lithium Ion Battery Matlab Simulink Attachment 5abcde266d5336e0 As 3a Download Battery Management System Bms For Lithium Ion Batterie Pdf

Battery Management System Bms Ve Bus Victron Energy
Q Tbn And9gctzssb8ni6rvtpkalp5bkh5xkxsan2nncmobt9oyafltxj6ag C Usqp Cau

Bms Battery Management System 3cems
Tidm Tms570bms High Performance Mcu For An Hev Ev Battery Management System Reference Design Ti Com

Aicraft Battery Management Systems Eaglepicher Power Supply Generators And Batteries

Lithium Batterie Management Control Board Bms Control Board Bq Batterie Management System Entwicklung Bord Bms Klimaanlage Teile Aliexpress

Battery Management System Bms Lion Smart

5s Lto Bms 12v a 40a 60a Lithium Batterie Management System Board Lto Bms Pcm Pcb Fur Solar Energie Speicher

The Manager30 Products Redarc Electronics

Aluminium Extrusions Are Winning The Race For Battery Enclosure In Evs Aluminium Insider

Battery Management And Monitoring Systems Bms

Victron Ve Bus Bms 12 0 Batterie Management System Fur 12 24 48 V Batterien Kaufen Schlanser Ch

Oxford Oximiser 900 Advanced Battery Management System New Battery Chargers Optimisers Vehicle Parts Accessories

Lifepo4 Akku 12v 6ah In Flacher Ausfuhrung Mit Bms Batterie Management System Jubatec Akku Shop

Libresolar Bms Batterie Management System Open Source Ecology Germany

Battery Management Analog Devices

Leistungs Fets Als Zentraler Bestandteil Eines Batterie Management System Bms All Electronics

Battery Management And Monitoring Systems Bms

Rosner Tdl Batterie Management System

Batterie Lifepo4 Bms Batterie Management System Buy Batterie Lifepo4 Bms Motorrad Batterie Starter Lifepo 4 Motorrad Batterie Motorrad Starter Lifepo4 Product On Alibaba Com

Liontron Lithium Batterie Boatoon Com

Battery Management System Wikipedia

Battery Management System Bms Dk Innovation

Victron Batterie Management System 12 0 Bms Fur Lithium Batterien 242 00

Lithium Battery Management Systems Bms Lithium Balance

Elektromaterial Batterie Management System Lifepo4 Akku 12v 3ah Mit Bms Heimwerker Mahmutefe Com Tr

The Battery Sophisticated Thermal Management 800 Volt System Voltage

Batterie Management Systeme

Mt Lithium Battery Mt Li 80 Lithium Batteries Batteries Electrics

Atr International Ag Hella Battery Management For E Vehicle Fleet
Www Ttieurope Com Content Dam Tti Europe About Distribution Center Ttiw014 Battery Mngmt Ev En Pdf

Bms Battery Management System Diy Or Buy Properly Protecting Li Ion Li Po Battery Packs Youtube

Libresolar Bms Batterie Management System Open Source Ecology Germany

Lifepo 4 Batterie 12 V 6ah Avec Bms Batterie Management System Ebay

Why Do Lithium Batteries Require A Bms Battery Management System Benzo Energy China Best Polymer Lithium Ion Battery Manufacturer Lithium Ion Battery Lipo Battery Pack Lifepo4 Battery Pack Batteries Rc Battery Pack

Aiways Announces Improved Safety For U5 Battery Electrive Com

Automotive Battery Management System Bms For Electric Vehicles Ev Stmicroelectronics

Sonstige Elektronik Messtechnik Batterie Management System Emus Bms Sultec Com Uy

Batterie Management System Lifepo4 Akku 12v 6ah Mit Bms

Lithium Ion Batteries Key Technology For Future Forms Of Mobility Lanxess Webmagazine

Victron Energy Battery Management System Bms 12 0

Batterie Management System Smart Pour Pack 4 Batteries Lithium Bluetooth 4 0

Bluetooth Balancer Battery Active Equalizer For Large Capacity Series Lithium Battery Packs Management System Lithium Polymer Li Polymer 3 7v Custom Lithium Ion Battery Pack Batteries Battery Housing China Manufacturer 10 Years Great

Battery Management System An Overview Sciencedirect Topics

Rec Aktives Batterie Management System Bms 4s Abms Kompatibel Mit Victron 279 00

Bms Batterie Management System Akkuman De Akku Reparatur Fur Ebikes Elektrische Werkzeuge Und Segways

Battery Management System Wikipedia

Anti Over Current Batterie Management System Customized For Factory Ctechi

Emus Bms Main Controller 8 32v Connection Kit Ev Europe

E Car Batteries As Much As Ten Percent Smaller Innovation Origins

Service Team Dobeln Vertrieb Batterie Management System 12 0

Batterie Management System Bms Battery Management System Ctechi

Lifepo 4 Batterie 12 V 10ah Avec Bms Batterie Management System Ebay

Orion Li Ion Battery Management System Affordable Reliable Ev Li Ion Bms

Redarc Bms1230 12v Batterie Management System Manager Ladegerat 30 Ampere Mppt 230v Ebay

Determining The State Of Health Of Batteries Quickly And Precisely Rutronik

Victron Battery Management System Bms 12 0 Ferropilot Berlin Gmbh Ferroberlin

Panasonic Develops Battery Management Technology To Measure Electrochemical Impedance Of Multi Cell Stacked Lithium Ion Batteries Headquarters News Panasonic Newsroom Global

Automotive Battery Management System Bms For Electric Vehicles Ev Stmicroelectronics